排序
MEC升降车平台94047-SCH-A92-5维修电气原理图手册
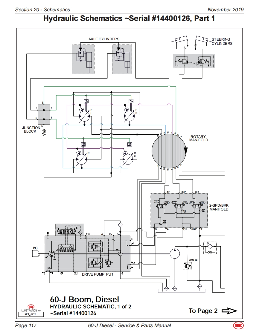
Section 20-SchematicsNovember 2019Hydraulic Schematics ~Serial #14400126,Part 1AXLE CYLINDERSSTEERINGCYLINDERSJUNCTIONBLOCKROTARYMANIFOLD2SPBR①22-SPD/BRKMANIFOLD越VC密000p5DRIVE P...
ICOM艾可慕ID-E880_user操作说明书手册_SV
COMINSTRUKTIONSBOKID-E88VHF/UHF DIGITAL TRANSCEIVER1D-E880Icom Inc.Version 1.1
Aiwa-LXS2-tt-维修说明书手册含电器原理图
www freeservicemanuals.infoIt's FreeAIWAS/M Code No.84-027DATE OF ISSUE 10/1984SERVICE MANUALMODEL NO.STEREO TURNTABLESYSTEMLX-S22▣Free service manualsGratis schema'sDigitized hyw...
Texas_Ranger_TR-127GK_ENG维修说明书手册含电气原理图
REV.ARRNg三RDec.2004Communications,Inc.TEXAS RANGER-TR-127GK/DX40 CHANNELAM CB MOBILE RADIOTEXAS RANGER-T-127MIC GARF GAINSWR CAService Manual










