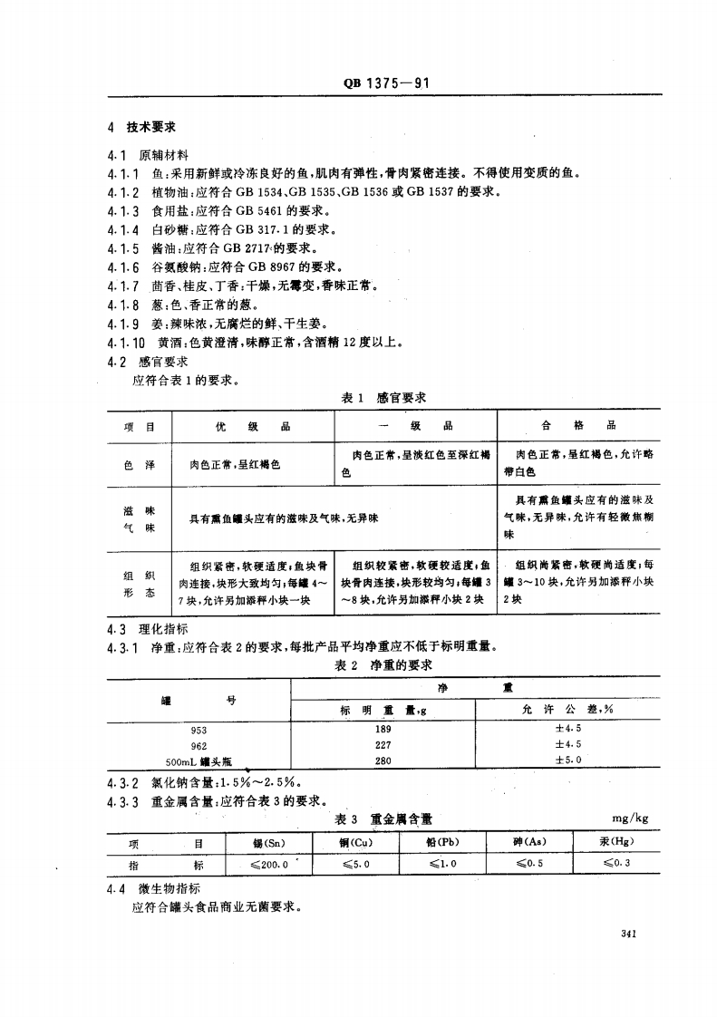
QB_T1375-1991熏鱼罐头348072@abc3个月前发布关注私信83.70KB3页030QB_T1375-1991熏鱼罐头此内容为付费资源,请付费后查看¥13¥19黄金会员免费钻石会员免费立即购买您当前未登录!建议登陆后购买,可保存购买订单付费资源 第1页 / 共3页 第2页 / 共3页 第3页 / 共3页 已完成全部阅读,共3页 THE END播放器标准规范餐饮美食 喜欢就支持一下吧收藏
请登录后查看评论内容