罗兰Roland-RD-700sx-Service-Manual维修服务手册说明书含电器原理图
Jan.2005RD-700SX子口-7口口写XSERVICE NOTESIssued by RJACONTENTSCAUTIONARY NOTESInstructions for Arranging the Cables..25SPECIFICATIONS...2BLOCK DIAGRAM...30LOCATION OF CONTROLS.3CI...
罗兰Roland-RD-700-Service-Manual维修服务手册说明书含电器原理图
Jun.2001RD-700只▣-7▣▣SERVICE NOTESIssued by RJADIGITAL PIANOTABLE OF CON TENTSSPECIFICATIONS......2BLOCK DIA GRAM..22LOCATION OF CONTROLS PARTS LIST........3CIRCUIT BOARD (MA IN...
罗兰Roland-RC-20xl
Sep.2004RC-20XLR℃-20XLSERVICE NOTESIssued by RJAPHRASE RECORDERTABLE DF CONTENTSCAUTIONARYNOTESTEST MODE.......14SPECIFICATIONS......2BLOCK DIAGRAM....19LOCATION OF CONTROLS...4CI...
罗兰Roland-R-09-MP3-Recorder-Service-Manual维修服务手册说明书含电器原理图
Apr.2006R-0924bit WAVE/MP3 RECORDERSERVICE NOTESR-09Issued by RJATable of ContentsSpecifications.....Circuit Board(TOP BOARD 1/2)...24Location of Controls....4.Circuit Board (TOP B...
罗兰Roland-PR-100-Digital-Sequencer-Service-Manual维修服务手册说明书含电器原理图
MAY.1987PR-100尸只-100IVBKSERVICE NOTESFirst EditionSPECIFICATIONSMEMORY CAPACITY..............Approx.17,000 notes in internal memory,Approx.17,000 notes in a 2.8'Quick Disk(8,500 ...
罗兰Roland-PM-30-Personal-Monitor-Service-Manual维修服务手册说明书含电器原理图
Now.2006PM-30PM-30SERVICE NOTESPersonal MonitorIssued by RJATable of ContentsCautionary Notes....2Test Mode.....17Block Diagram20Package Contents.4Circuit Board(Main Board 1:Preamp...
罗兰Roland-PK-5-Midi-Pedal-Service-Manual维修服务手册说明书含电器原理图
4.1990PK-6PK-5SERVICE NOTESFirst EditionDYNAMIC MIDI PEDALTABLE OF CONTENTS目次PageSPECRCATIONS仕框1SPECIFICATIONS/仕樣EXPLODED VIEW分相圆O9A8S既MeLY分解手塘POA从OARD PART5USTPEDAL...
罗兰Roland-PG-800-Service-Manual维修服务手册说明书含电器原理图
MAY.1985JX -8P PG-800尸G-8O▣SPECIFICATIONSTaoping A1 Binding多g15 mm IBpeslDimensions 265)x 2151D)x 27H)mm10-7/16%87/16K11/16mWeight6800/1b802Bottor Cave46061-111120t51G222951131-...
罗兰Roland-PCR-30–50–80-Service-Manual维修服务手册说明书含电器原理图
Sep.2003PCR-30/PCR-50/PCR-80MIDI KEYBOARDSERVICE NOTESCONTROLLERThird EditionPCR-30Issued by RJAPCR-50PCR-80TABLE OF CONTENTSSPECIFICATIONS.2EXPLODED VIEW..4EXPLODED VIEW PARTS LIS...
罗兰Roland-PA-200–PA-400-Powered-Mixer-Service-Manual维修服务手册说明书含电器原理图
4g物PA-200400尸A-己▣▣/4▣▣SERVICE NOTESPOWERE包M文器w.a4mg◆Third EditionThia Sevioe Motes indades the poeteet and correctens on the Fut and Scond Fckices aed raks t ctacheoe.◆...
罗兰Roland-MRS-2-Service-Manual维修服务手册说明书含电器原理图
MRS-2 SERVICE NOTES8Da5F-501-1(001-215】1)100WHINPUTS AND OUTPUTS3D35P-501-2(001-215)●SPECIFICATIONSOUTPUT LEVEL P:OdBm117wM-6EUm.L:12dDm*KEYBOARDEAD灯NEis支过时aBAl3D05F-502{001-...
罗兰Roland-MPG-80-Service-Manual维修服务手册说明书含电器原理图
DEC.1984MPG-80MPG8▣SPECIFICATIONSPower Consumption0.9wDimensions480W)×78(D)×177(H)mm19'(W)×3-1/8'(D)×7.1/16(H)Weight3 kg/6 Ib 10 ozMPG-8GPANEL(222154271CHASS1S(22815437)ANGLE(...
罗兰Roland-MMP-2-Mic-Modeling-Preamp-Service-Manual维修服务手册说明书含电器原理图
Apr.2002MMP-2MM→-2SERVICE NOTESMICM▣口ELING PREAMPIssued by RJATABLE OF CONTENTSSPECIFICATIONS......2SYSTEMSOFTWARE UPDATE PROCEDURE........12LOCATION OF CONTROLS...3BLOCK DIAGRA...
罗兰Roland-MKS-80–MPG-80-(Ed.2)-Service-Manual维修服务手册说明书含电器原理图
DEC.1984(1st Edition,1st Printing)MKS-80MKS-B0(from p.1 to p.34)SERVICE NOTESVPG-B▣Second Edition(from p.35 to p.44)April.1985Ks-B▣Part1This Notes makes First Edition obsolete an...
罗兰Roland-MKB-200-(Part-2)-Service-Manual维修服务手册说明书含电器原理图
SRRd1s1H0特0乙p1Ang-w955W功国到到到到u白可可回向可OHVO8 A3X00LL O工一」乏Z
罗兰Roland-MKB-200-(Part-1)-Service-Manual维修服务手册说明书含电器原理图
APR.1986MKB-200MKB-206SERVICE NOTESSPECIFICATIONSFirst EditionKeyboard61 keys (with After Touch)Power Consumption 100V 6W117V8W220.240V10WDimensions:990W0×320(D)×120(Hlmm39'W0×1...
罗兰Roland-MG-80-Guitar-Amp-Schematic电器原理图
Now.1999MG-80⑤E▣SSMG-80SERVICE NOTES0 ami smowl rew×8f6sGUITAR AMPLIFIERFirst Edition5x30mm Fet Pe BLK TrunsBackboirdSPECIFICATION.021147263006/联DU片n士立n12出1770820HL.0521-01...
罗兰Roland-MC-505-Micro-Composer-Service-Manual维修服务手册说明书含电器原理图
他.塑MC-505VAC-S▣SERVICE NOTESSPECIFICATIONSFirst EditionMC-0518eY酒Issued by RJA●Tee④earMaxmum Polypheny84eee当eOsplayPars24 Parts0MMm8+81画8 harache线x2Buit-in EMactsRevat.Dd....
罗兰Roland-MC-4-Micro-Composer-Service-Manual维修服务手册说明书含电器原理图
JAN,13,1982MC-4MC-4 SERVICE NOTESSPECIFICATIONSFirst EditionkH504灯2MCMA [nlout OM-41p▣3eoH6 Kbyte version司12G0o世转长w1传e4eOM4optional memory boirdTG02501-111349t0南×11110谢-h...
罗兰Roland-MC-307-Groovebox-Service-Manual维修服务手册说明书含电器原理图
MC-307AN2000SERVICE NOTESMAIN SPECIFICATIONSMC-307:GooveboxV二3▣7First Edition●SOUND GENERATOR●G0 NNECTORSSECTONIssued by RJAO车ud40q,民240P:Cornectica,aT刀PatheaCCNackPtg通TAB...
罗兰Roland-MC-303-Groovebox-Service-Manual维修服务手册说明书含电器原理图
MC-303Ma.1996CB▣3SERVICE NOTESSPECIFICATIONS/仕横First Edition●TONE GENERATOR白OOVEbOXIssued by RJABULT-N CRFOCTS_●8 ECUENCERd”TABLE OF CONTENTS目次PageSPECFICATIONS仕保。…LOC...
罗兰Roland-MC-300-Micro-Composer-Service-Manual维修服务手册说明书含电器原理图
AP明.1到0MC-300MIC▣C口MP▣SE7SERVICE NOTESFirst EditionSPECIFICATIONS/仕梯击①①0[2t2333n2☒i33②21吃通233③083drai iaa40Keytops半-·卜y7熙品7-天DKeytop-5 (heeryl224951712KeM刚224...
罗兰Roland-MC-202-Micro-Composer-Service-Manual维修服务手册说明书含电器原理图
AUGUST 21,1983MC202MC-202SERVICE NOTESMENORY.SYNCCALFirst EditionEXT KYBDSYNC OUTBUILT-N SYNCSYNC INEITSYMHDC INPUTPHONESSPECIFICATIONSOUTPUT-0 ottom cio线ENV:Amtack Tire.-.2vm 90 ...
罗兰Roland-MC-09-Phrase-Lab-Service-Manual维修服务手册说明书含电器原理图
May 2002MC-09SERVICE NOTESMC-▣9PhraseIssued by RJALabSPECIFICATIONS.....2SYSTEM SOFTWARE UPDATE PROCEDURE............13LOCATION OF CONTROLS.TEST MODE......14LOCATION OF CONTROLS P...
罗兰Roland-MA-20D-Powered-Studio-Monitors-Service-Manual维修服务手册说明书含电器原理图
Apr.2003MA-20DMA-20DSERVICE NOTESIssued by RJADIGITAL STEREO MICRO MONITORTABLE OF CONTENTSSPECIFICATIONS..........2LOCATION OF LONTROLS...3LOCATION OF CONTROLS PARTS LIST............
罗兰Roland-MA-15-Powered-Monitor-Service-Manual维修服务手册说明书含电器原理图
JUNE25,1981mA-15)E▣SSMA-15 SERVICE N0T正SFirst EditionSPECIFICATIONSOutput:15W RMSPower consumption:22WWeight:3.1kgDimensions:300(w)x167(H)x162(D)mm6.831b811.86.66.4inPotsBVH6PA36...
罗兰Roland-M-400-Live-Mixer-Service-Manual维修服务手册说明书含电器原理图
Now.2007M-400VMixerSERVICE NOTESM-400Issued by RJALIVE MIXING CONSOLE驾与266666666只oo666666666666口Copyright 2008 Roland CorporationAll rights reserved.No part of this publication...
罗兰Roland-M-1000-Digital-Mixer-Service-Manual维修服务手册说明书含电器原理图
Nov.2002M-1000M-1▣▣▣SERVICE NOTES24bit/96kHz 56bit Internal ProcessingIssued by RJAI▣CH▣IGITAL LINE MIXERTABLE OF CONTENTSSPECIFICATIONS......2TEST MODE0.12LOCATION OF CONTROL...
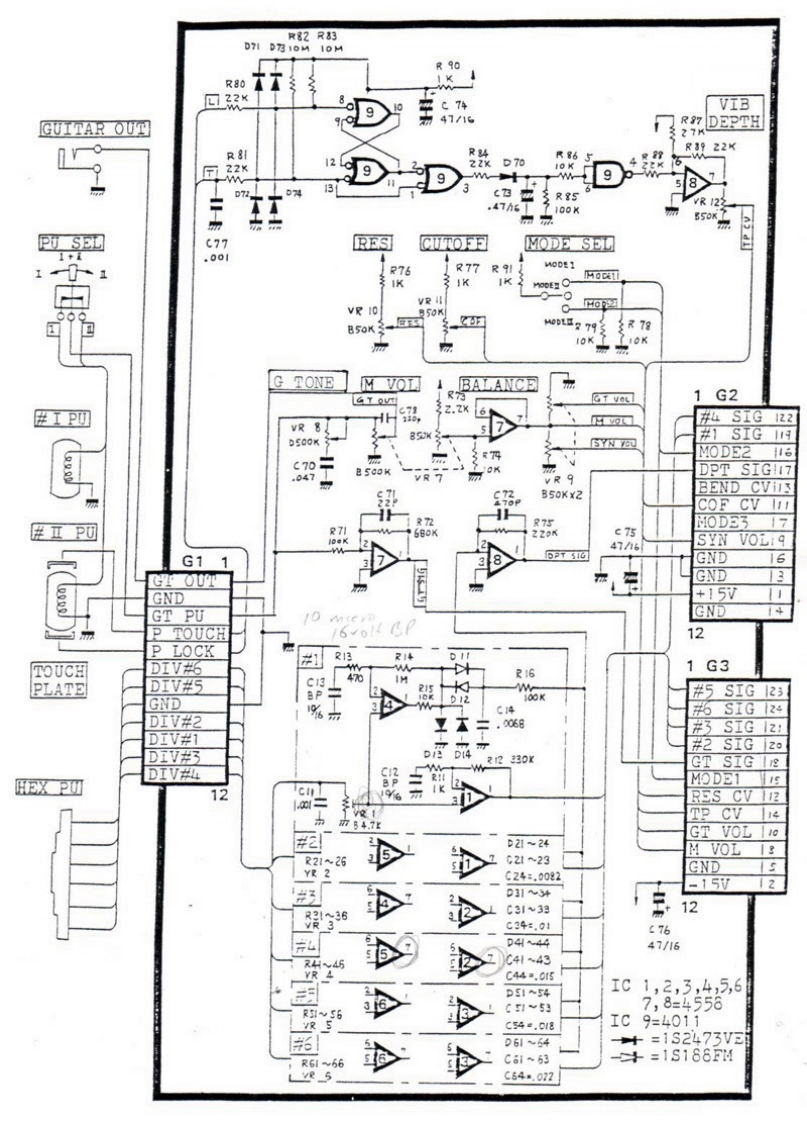
罗兰Roland-LPK-1-Guitar-Synth-Schematic电器原理图
R82R83D71D万10M10MR90R80c74VIBGUITAR OUT新41/16R97DEPTH27R86R2222×222×D709C73R 85二,47h6R12650P■SEc77RESTCUTOFFMODE SELA)41.00R76R77M0候IIKIKMODEVR0-0VR 1010KG TONEMOL▣BALANCEG...
罗兰Roland-KR117M-PE-Digital-Piano-Service-Manual维修服务手册说明书含电器原理图
Apr.2006KR117M-PESERVICE NOTESKR11/M-PEIssued by RJADIGITAL INTELLIGENT PIANOCopyright 2006 ROLAND CORPORATIONAll rights reserved.No part of this publication may be reproduced in a...
罗兰Roland-KM-60-Mixer-Service-Manual维修服务手册说明书含电器原理图
mixerKm-60SERVICE NOTESOO©OOO3▣SSKm-603GRolandPrinted in Japan
罗兰Roland-KC-500-Keyboard-Amp-Service-Manual维修服务手册说明书含电器原理图
Pe酸.1W6KG-500KC-500SPECIFICATIONS/仕模SERVICE NOTESCared Pwmtr0年/度生力-Oea国guL/题司A为KSTEREO MIXINGFirst Edition8ea国Cpn/置出代KEYBOARD AMPLIFIERIssued by RJA08n-075二5TABLE O...
罗兰Roland-KC-350UC–550UC-(2003)-Keyboard-Amp-Service-Manual维修服务手册说明书含电器原理图
June.2003KC-550UC/KC-350UCKC-550UC/KC-350UCSERVICE NOTESIssued by RJASPECIFICATIONS.....KC-550 CIRCUIT DIAGRAM(1/4).....24LOCATION OF CONTROLS...............3KC-550 CIRCUIT DIAGRAM...
罗兰Roland-KC-350–550-Keyboard-Amp-Service-Manual维修服务手册说明书含电器原理图
Aug.2005KC-550Kc-350KC-550SERVICE NOTESIssued by RJAKC-350CAUTIONARY NOTES2PARTS LIST(KC-350)....16SPECIFICATIONS..........2BLOCKDIAGRAM..20LOCATION OF CONTROLSCIRCUIT BOARD (SHEET...
罗兰Roland-KC-150-Keyboard-Amp-Service-Manual维修服务手册说明书含电器原理图
AUg.2005Kc-150KC-150SERVICE NOTESIssued by RJA4-CH MIXING KEYBOARD AMPLIFIERCAUTIONARY NOTES.......2sPECTFICATIONS.LOCATION OF CONTROLS.......3LOCATION OF CONTROLS PARTS LIST3EXPLO...
罗兰Roland-KC-100-Keyboard-Amp-Service-Manual维修服务手册说明书含电器原理图
De第7KC-100KC-▣▣SERVICE NOTESSPECIFICATIONSFirst EditionG-004CH MIXINGade情gOu年dIssued by RJASpeker:808hKEYB▣AR▣AMPLIFIE7⊙nann1且Ry的-0dBmthru -20dBmChatndl 1 Phone Type:-60d...
罗兰Roland-KC-100-Amplifier
De第7KC-100KC-1▣▣SERVICE NOTESSPECIFICATIONSFirst EditionC-1004CH MIXING白ade情g0u标d:或加:808aKEYBOARD AMPLIFIERIssued by RJA⊙anm1且奥y的-50dBmthru -20dBmhatnd 1 Phone Ty作9:-5...
罗兰Roland-JX-3P–PG-200-Service-Manual维修服务手册说明书含电器原理图
JX-3P(PG-200)SERVICE NOTESKey Transpone battonIFat Section 00-31First Edition⑦4 e button11 Grovo A buttonSPECIFICATIONSJX-3PPC-200Keybcard:Dimtniisrs①PITCH BENDESequetce Sect a在...
罗兰Roland-JX-305-Service-Manual维修服务手册说明书含电器原理图
JX-305sep.1998JX-305SERVICE NOTESSPECIFICATIONSGROOVESYNTHFirst EditionJX-305:GROOVESYNTHIssued by RJAwTABLE OF CONTENTSPageSpedficalasePand layoutPand LayoitPurLhteli on-dn1打s3fs...
罗兰Roland-JX-10-Service-Manual维修服务手册说明书含电器原理图
AUG.1986JX-10SUPER JXJX-10SERVICE NOTESFirst EditionSPECIFICATIONSnt起时:花笔国461U话x44机13014▣回向回司回回古画a■同daHd到TaCornection Cord 2Verar Co用1W:0MCC x1Mamery Carridpe ...
罗兰Roland-JX-1-Service-Manual维修服务手册说明书含电器原理图
JAN.1991JX-1×-1SERVICE NOTESSPECIFICATIONS/仕樣First EditionTone'PERFORMANCE SYNTHESIZER器.学+TABLE OF CONTENTS目次Page1151-712 (units)·SPECIFICATIONS仕极1111111行1卡111行11行111...
罗兰Roland-JW-50-Service-Manual维修服务手册说明书含电器原理图
SEP.1992JW-50V-s▣SERVICE NOTESSPECIFICATIONS/仕楼USIC W▣KSTATI▣Ns苹ergg【5DIWD5 ouRcE SECTON音N1[8 ECUENCER8 ECTION/-y梦图】最修真化正提表品追加情银加制与生寸。TABLE OF CONTENTS...
罗兰Roland-JV-90-Service-Manual维修服务手册说明书含电器原理图
D4e1993JV-90UV▣SERVICE NOTESEXPANDABLE SYNTHESZERFirst EditionTABLE OF CONTENTS目次PageSPECIFICATIONS/仕樣SPECIFICAT刀C8m,,nnan:壮相aaa441M-0:B年andable Syrthin/工夕天梦ブ标,乡士...
罗兰Roland-JV-880-Module-Service-Manual维修服务手册说明书含电器原理图
5el1931JV-80V-BB▣SERVICE NOTESFirst EditionMULTI TIMBRAL SYNTHESIZERM▣▣ULE设桥学edeg◆TABLE OF CONTENTS目次PageSPECIFICATIONS/仕横5ECIF1 CATION5-------====--·仕样===…””===1,...
罗兰Roland-JV-80-Service-Manual维修服务手册说明书含电器原理图
an.1932JV-80V-B▣SERVICE NOTESMULTI TIMBRAL SYNTHESIZERFirst EditionERRATA&SUPPLEMENT is attached进the end of the page.专最终页配正规表&追加情鞭多门生寸,TABLE OF CONTENTS目次PageS...
罗兰Roland-JV-35–JV-50-Service-Manual维修服务手册说明书含电器原理图
Feb.1994JV-5035JV5▣/日5SERVICE NOTESSPECIFICATION/仕樣EXPANDABLE SYNTHESIZERFirst Edition乘的●441-8:11M8n×00●新4内一一一相可南8林g和的语0¥I线=3:利TABLE OF CONTENTS目次Page事=...
罗兰Roland-JV-1080-Service-Manual维修服务手册说明书含电器原理图
0at1994W.1090V-1▣B▣SERVICE NOTESSPECIFICATIONS/仕横First Edition的AYr家fx九SYNTHESIZER MOOULENarber ofpuns/-02 Characverl甲hodg制y/装,交91H量到1parts-l ythmn SetnERRATA SPPLEMEN...
罗兰Roland-JV-1010-Module-Service-Manual维修服务手册说明书含电器原理图
J-1010Feb.1999J-1▣1▣SERVICE NOTESSPECIFICATIONS主套仕樣First Edition8400:44习·乡》电4-·里3-k1@sa于a毫】Issued by RJA,专Nun鲜edPH4年化数14116skea0到化0世va·化事】TABLE OF CONTE...
罗兰Roland-JV-1000-Service-Manual维修服务手册说明书含电器原理图
JLN 1903J-1000JV-1▣▣▣SERVICE NOTESUSIC W▣RKSTATI▣NFirst EditionTABLE OF CONTENTS日次PageSPECIFICATIONS/仕樣8 PECIFICAT10N图44。仕样44:1¥4晚:指8/具1-9,9:学-9a-之4>04t/伊e15...
















-Service-Manual维修服务手册说明书含电器原理图-c68346a362-pdf-1.webp)
-Service-Manual维修服务手册说明书含电器原理图-a790384583-pdf-1.webp)
-Service-Manual维修服务手册说明书含电器原理图-ee624fe255-pdf-1.webp)
















-Keyboard-Amp-Service-Manual维修服务手册说明书含电器原理图-5ea231a44f-pdf-1.webp)

















