SN_T1510-2005出口天然香茅油中香茅醛和含氧化合物含量的标准测定气相色谱法

SN_T1510-2005出口天然香茅油中香茅醛和含氧化合物含量的标准测定气相色谱法新质力文库 - 聚焦新质生产力发展的数字化知识库_行业洞察 / 理论成果 / 实践指南免费下载新质力文库
SN_T1510-2005出口天然香茅油中香茅醛和含氧化合物含量的标准测定气相色谱法
此内容为付费资源,请付费后查看
1319
立即购买
您当前未登录!建议登陆后购买,可保存购买订单
付费资源

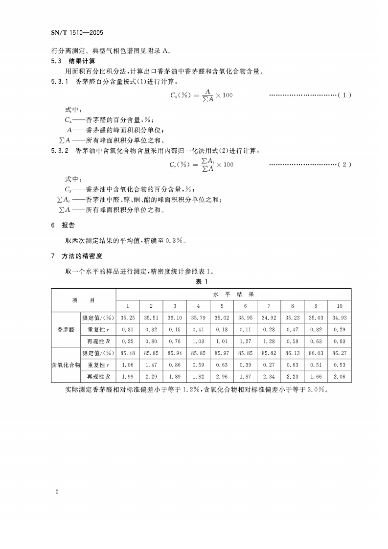
第1页 / 共6页

第2页 / 共6页

第3页 / 共6页

第4页 / 共6页

第5页 / 共6页
试读已结束,还剩1页,您可下载完整版后进行离线阅读
THE END
喜欢就支持一下吧
评论 抢沙发

请登录后发表评论

    请登录后查看评论内容