

第1页 / 共19页

第2页 / 共19页

第3页 / 共19页
试读已结束,还剩16页,您可下载完整版后进行离线阅读
THE END
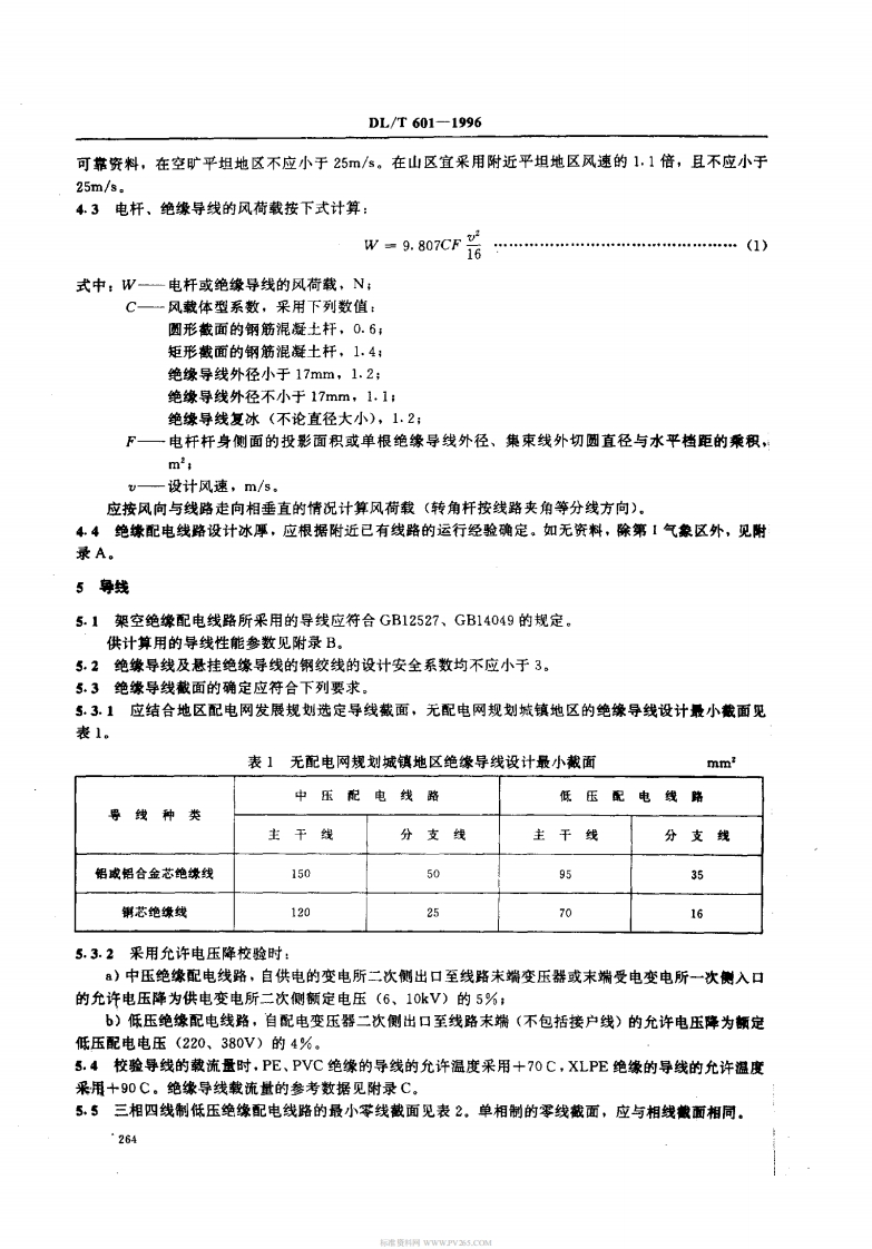
DL/T601-1996前言随普我国城市电网改造工作的不断推进及城网建设的迅速发展,为满足城市电网供电的可靠性及电能质量日益提高的要求,自90年代初以来在我国大中城市配电网络中普遍采用架空绝缘电线,原有SDJ206一87《架空配电线路设计技术规程》不能满足架空绝缘配电线路设计的需要。根据原能源部可局电供[1991]131号文,由全国电力系统城市供电专业工作网负责,电力工业部武汉高压研究所具体组织起草渠空绝缘配电线路的设计规程。本标准的编写结合了各地架空绝缘配电线路设计的实践经验,经对有代表性的供电局(电业局)多次征求意见和广东、山东、武汉三次会议集中讨论而形成,上海市区供电局王琼参加了第4章、第5章的编写,沈阳电业局何宗义参加了第6章的编写,大连电业局顾三立参加了第7章的编写,长沙电业局安岐参加了第8章的编写,重庆电业局赵有权参加了第9章、第10章的编写,武汉供电局李汉生参加了第11章、第12章的编写。本标准用于指导架空绝缘配电线路的设计,本标准与DL/T602一1996《架空绝缘配电线路施工及验收规程》配套使用,本标准适用于城市电网,农村电网也可参照执行。本标准的附录A、附录B都是标准的附录,本标准的附录C、附录D、附录E、附录F都是提示的附录。本标准由电力工业部安全监察及生产协调司提出并归口。本标准由全国电力系统城市供电专业工作网负责起草。本标准起草单位:电力工业部武汉高压研究所、东北电管局、上海市区供电局、武汉供电局、重庆电业局、大连电业局、长沙电业局、沈阳电业局。本标准主要起草人:项昌富、徐德征、康应成。本标准委托电力工业部武汉高压研究所负责解释。262标资料网WWWV5.CO
请登录后查看评论内容