GB1886.105-2016食品安全国家标准食品添加剂辣椒橙_食品安全国家标准食品添加剂辣椒橙

GB1886.105-2016食品安全国家标准食品添加剂辣椒橙_食品安全国家标准食品添加剂辣椒橙新质力文库 - 聚焦新质生产力发展的数字化知识库_行业洞察 / 理论成果 / 实践指南免费下载新质力文库
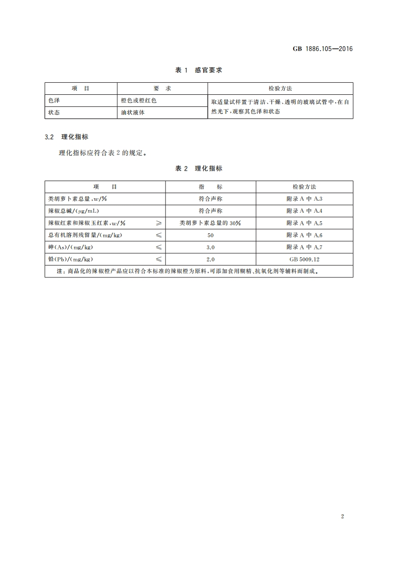
GB1886.105-2016食品安全国家标准食品添加剂辣椒橙_食品安全国家标准食品添加剂辣椒橙
此内容为付费资源,请付费后查看
1923
立即购买
您当前未登录!建议登陆后购买,可保存购买订单
付费资源

第1页 / 共11页

第2页 / 共11页

第3页 / 共11页
试读已结束,还剩8页,您可下载完整版后进行离线阅读
THE END
B中华人民共和国国家标准GB1886.105-2016食品安全国家标准食品添加剂辣椒橙2016-08-31发布2017-01-01实施中华人民共和国国家卫生和计划生育委员会发布
喜欢就支持一下吧
评论 抢沙发

请登录后发表评论

    请登录后查看评论内容