GB1886.141-2016食品安全国家标准d-核糖食品添加剂_食品安全国家标准食品添加剂d-核糖

GB1886.141-2016食品安全国家标准d-核糖食品添加剂_食品安全国家标准食品添加剂d-核糖新质力文库 - 聚焦新质生产力发展的数字化知识库_行业洞察 / 理论成果 / 实践指南免费下载新质力文库
GB1886.141-2016食品安全国家标准d-核糖食品添加剂_食品安全国家标准食品添加剂d-核糖
此内容为付费资源,请付费后查看
1923
立即购买
您当前未登录!建议登陆后购买,可保存购买订单
付费资源

第1页 / 共10页

第2页 / 共10页

第3页 / 共10页
试读已结束,还剩7页,您可下载完整版后进行离线阅读
THE END
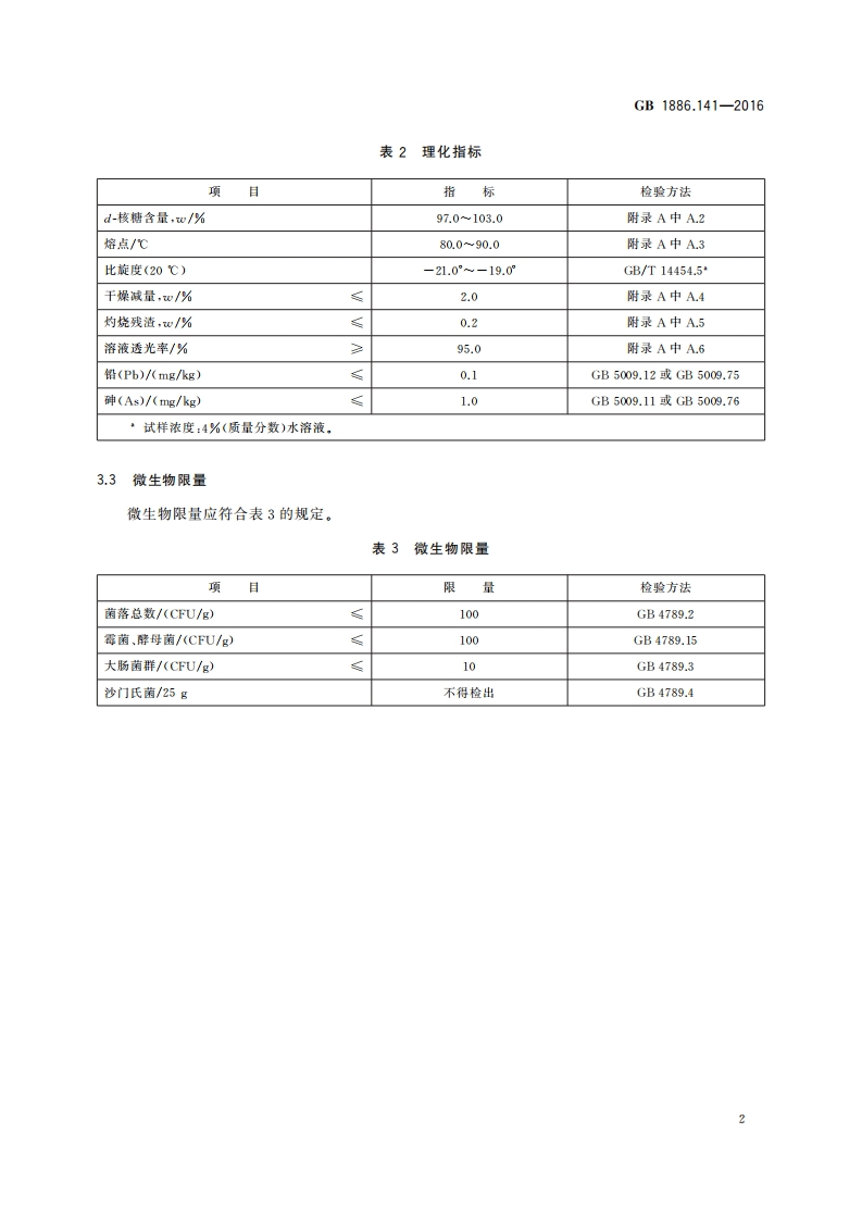
GB中华人民共和国国家标准GB1886.141-2016食品安全国家标准食品添加剂d-核糖2016-08-31发布2017-01-01实施中华人民共和国国家卫生和计划生育委员会发布
喜欢就支持一下吧
评论 抢沙发

请登录后发表评论

    请登录后查看评论内容