GB1886.205-2016食品安全国家标准食品添加剂d-香芹酮_食品安全国家标准食品添加剂d-香芹酮

GB1886.205-2016食品安全国家标准食品添加剂d-香芹酮_食品安全国家标准食品添加剂d-香芹酮新质力文库 - 聚焦新质生产力发展的数字化知识库_行业洞察 / 理论成果 / 实践指南免费下载新质力文库
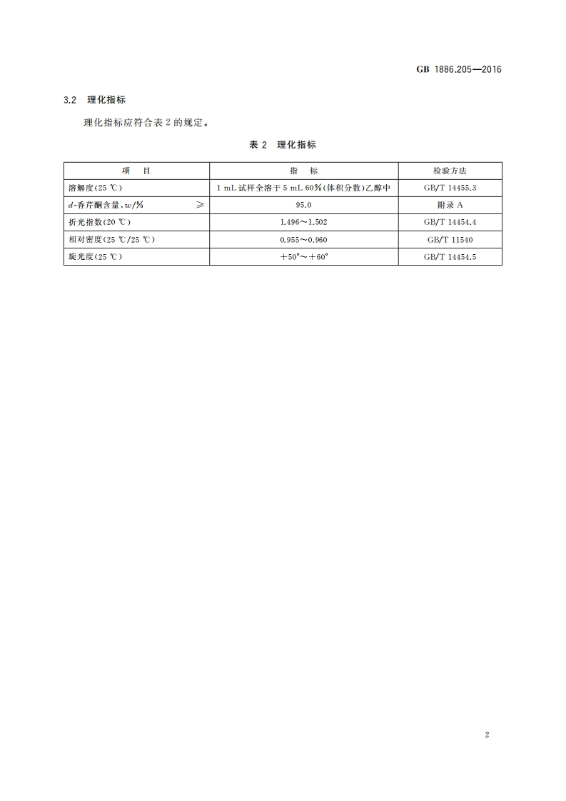
GB1886.205-2016食品安全国家标准食品添加剂d-香芹酮_食品安全国家标准食品添加剂d-香芹酮
此内容为付费资源,请付费后查看
1923
立即购买
您当前未登录!建议登陆后购买,可保存购买订单
付费资源

第1页 / 共5页

第2页 / 共5页

第3页 / 共5页
试读已结束,还剩2页,您可下载完整版后进行离线阅读
THE END
GB中华人民共和国国家标准GB1886.205-2016食品安全国家标准食品添加剂d-香芹酮2016-08-31发布2017-01-01实施中华人民共和国国家卫生和计划生育委员会发布
喜欢就支持一下吧
评论 抢沙发

请登录后发表评论

    请登录后查看评论内容