GB1903.29-2018食品安全国家标准葡萄糖酸镁食品营养强化剂_食品安全国家标准葡萄糖酸镁食品营养强化剂

GB1903.29-2018食品安全国家标准葡萄糖酸镁食品营养强化剂_食品安全国家标准葡萄糖酸镁食品营养强化剂新质力文库 - 聚焦新质生产力发展的数字化知识库_行业洞察 / 理论成果 / 实践指南免费下载新质力文库
GB1903.29-2018食品安全国家标准葡萄糖酸镁食品营养强化剂_食品安全国家标准葡萄糖酸镁食品营养强化剂
此内容为付费资源,请付费后查看
1923
立即购买
您当前未登录!建议登陆后购买,可保存购买订单
付费资源

第1页 / 共7页

第2页 / 共7页

第3页 / 共7页
试读已结束,还剩4页,您可下载完整版后进行离线阅读
THE END
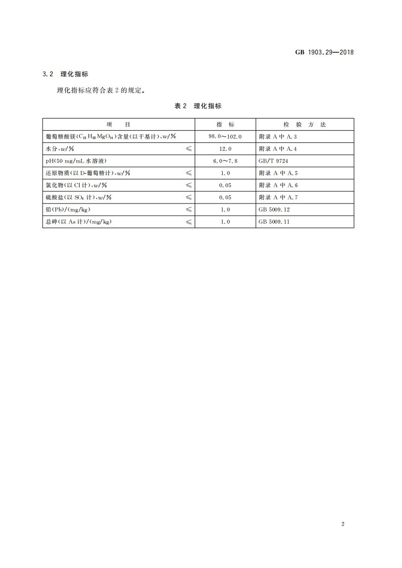
GB中华人民共和国国家标准GB1903.29-2018食品安全国家标准食品营养强化剂葡萄糖酸镁2018-06-21发布2018-12-21实施中华人民共和国国家卫生健康委员会国家市场监督管理总局发布
喜欢就支持一下吧
评论 抢沙发

请登录后发表评论

    请登录后查看评论内容