ICS31.240K05中华人民共和国国家标准GB_T8582-2008代替GB_T8582-2000电工电子设备机械结构术语Terminologyformechanicalstructuresofelectrotechnicalandelectronicequipment

ICS31.240K05中华人民共和国国家标准GB_T8582-2008代替GB_T8582-2000电工电子设备机械结构术语Terminologyformechanicalstructuresofelectrotechnicalandelectronicequipment新质力文库 - 聚焦新质生产力发展的数字化知识库_行业洞察 / 理论成果 / 实践指南免费下载新质力文库
ICS31.240K05中华人民共和国国家标准GB_T8582-2008代替GB_T8582-2000电工电子设备机械结构术语Terminologyformechanicalstructuresofelectrotechnicalandelectronicequipment
此内容为付费资源,请付费后查看
1923
立即购买
您当前未登录!建议登陆后购买,可保存购买订单
付费资源

第1页 / 共25页

第2页 / 共25页

第3页 / 共25页
试读已结束,还剩22页,您可下载完整版后进行离线阅读
THE END
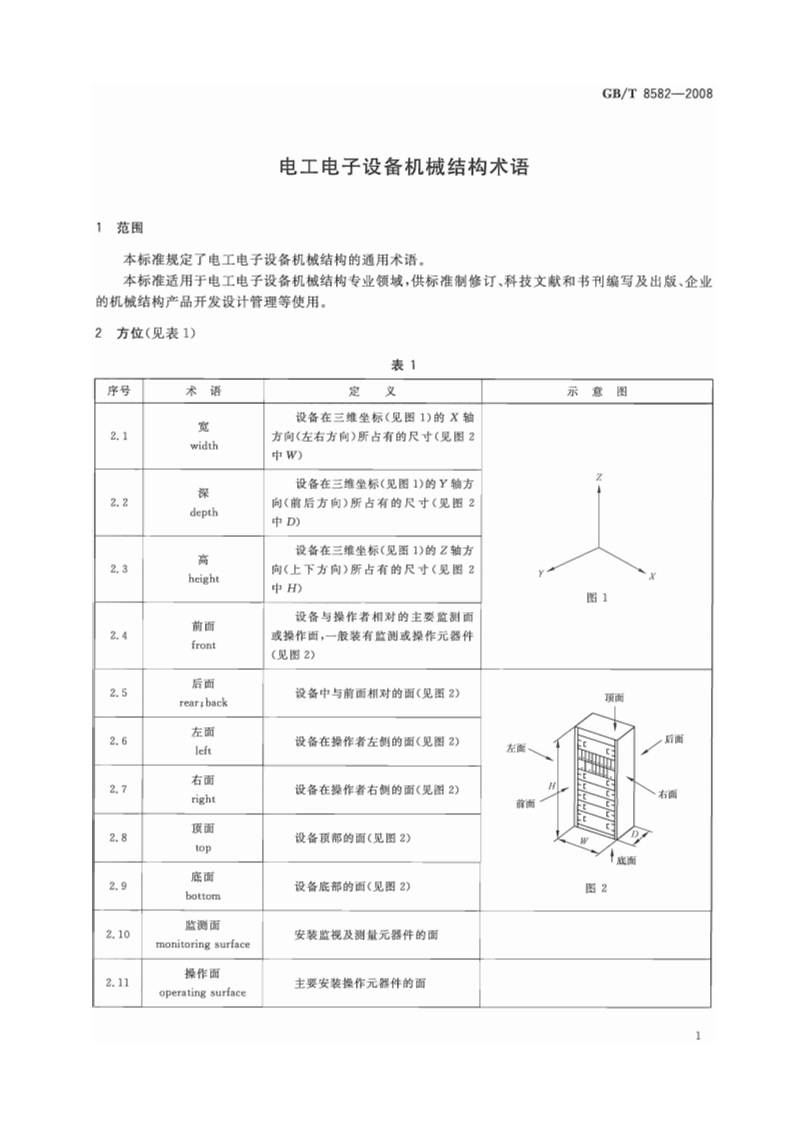
ICS31.240K05中华人民共和国国家标准GB/T8582-2008代替GB/T8582一2000电工电子设备机械结构术语Terminology for mechanical structures ofelectrotechnical and electronic equipment2008-06-19发布2009-04-01实施中华人民共和国国家质量监督检验检疫总局中国国家标涯化管埋委员会发布
喜欢就支持一下吧
评论 抢沙发

请登录后发表评论

    请登录后查看评论内容