JG_T5070-1995型材切割机Formedsteelcutter02-26发布1996-08-01实施中华人民共和国建设部发布

JG_T5070-1995型材切割机Formedsteelcutter02-26发布1996-08-01实施中华人民共和国建设部发布新质力文库 - 聚焦新质生产力发展的数字化知识库_行业洞察 / 理论成果 / 实践指南免费下载新质力文库
JG_T5070-1995型材切割机Formedsteelcutter02-26发布1996-08-01实施中华人民共和国建设部发布
此内容为付费资源,请付费后查看
1923
立即购买
您当前未登录!建议登陆后购买,可保存购买订单
付费资源

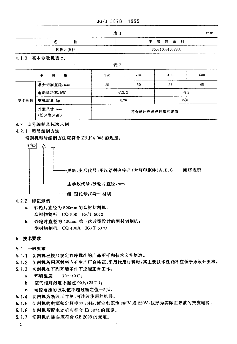
第1页 / 共12页

第2页 / 共12页

第3页 / 共12页
试读已结束,还剩9页,您可下载完整版后进行离线阅读
THE END
G中华人民共和国建筑工业行业标准JG/T5070-1995型材切割机Formed steel cutter1996-02-26发布1996-08-01实施中华人民共和国建设部发布
喜欢就支持一下吧
评论 抢沙发

请登录后发表评论

    请登录后查看评论内容