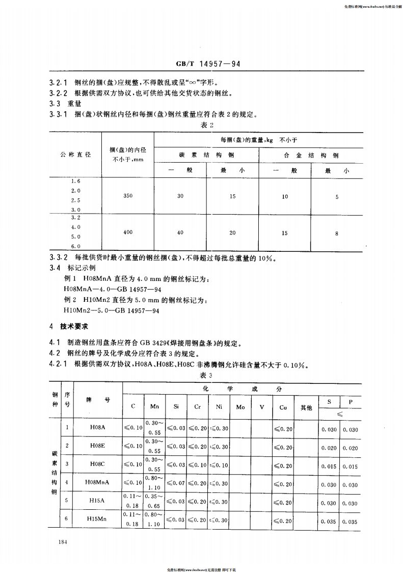
中华人民共和国熔化焊用Steelwiresformelt348072@abc31天前发布关注私信0.14MB4页049中华人民共和国熔化焊用Steelwiresformelt此内容为付费资源,请付费后查看¥19¥23黄金会员免费钻石会员免费立即购买您当前未登录!建议登陆后购买,可保存购买订单付费资源 第1页 / 共4页 第2页 / 共4页 试读已结束,还剩2页,您可下载完整版后进行离线阅读 THE END标准规范 喜欢就支持一下吧收藏
请登录后查看评论内容