QCT73-93汽车电气设备产品型号编号方法

QCT73-93汽车电气设备产品型号编号方法新质力文库 - 聚焦新质生产力发展的数字化知识库_行业洞察 / 理论成果 / 实践指南免费下载新质力文库
QCT73-93汽车电气设备产品型号编号方法
此内容为付费资源,请付费后查看
1323
立即购买
您当前未登录!建议登陆后购买,可保存购买订单
付费资源

第1页 / 共14页

第2页 / 共14页
试读已结束,还剩12页,您可下载完整版后进行离线阅读
THE END
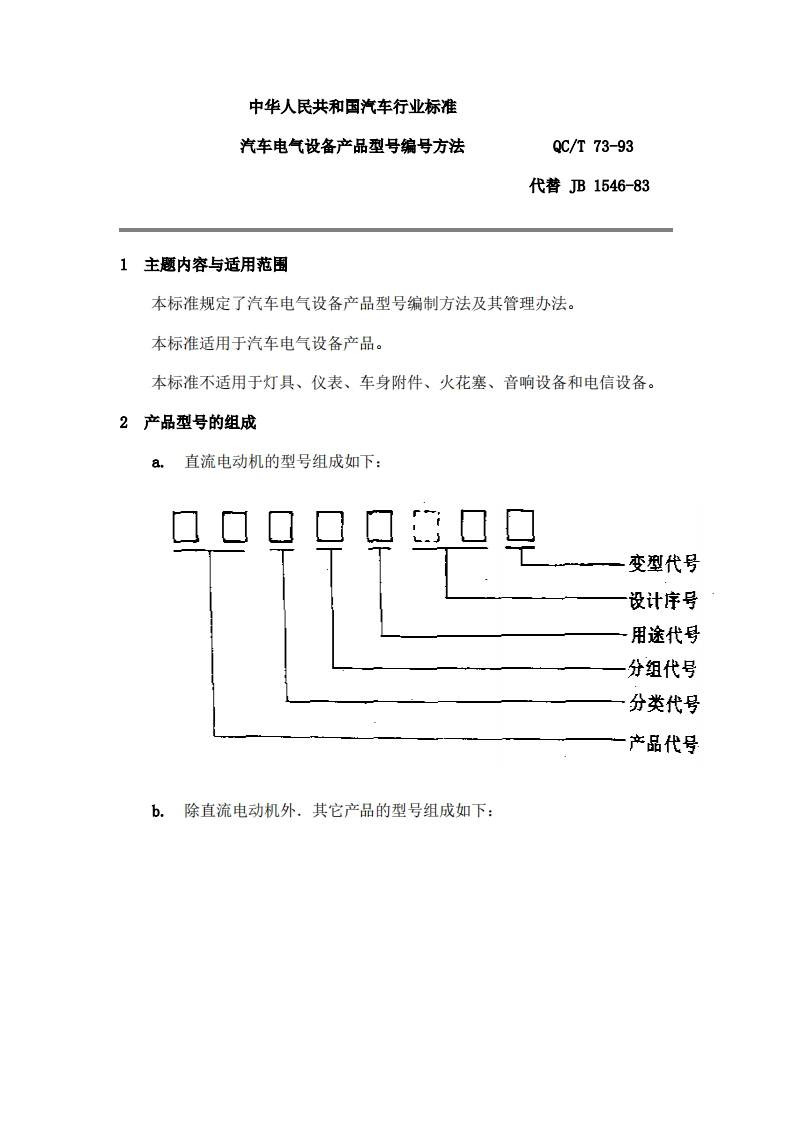
中华人民共和国汽车行业标准汽车电气设备产品型号编号方法QC/T73-93代替B1546-831主题内容与适用范围本标准规定了汽车电气设备产品型号编制方法及其管理办法。本标准适用于汽车电气设备产品。本标准不适用于灯具、仪表、车身附件、火花塞、音响设备和电信设备。2产品型号的组成a.直流电动机的型号组成如下:变型代号设计序号用途代号分组代号分类代号产品代号b.除直流电动机外.其它产品的型号组成如下:
喜欢就支持一下吧
评论 抢沙发

请登录后发表评论

    请登录后查看评论内容