

第1页 / 共2页
试读已结束,还剩1页,您可下载完整版后进行离线阅读
THE END
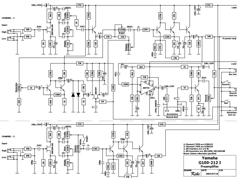
470470n◆36yCHANMEL 1250k✉2溢2010kTo power amp33我220u/16+12W391k自自02入220kAN734t220/16v1k100自凰foot sw047自自DisToot swReverb Uni博470n470nCHANNEL-2自自0474.Chanael 2 PCB are LC801133.Chamnel 1 PCB are LC80123之ll resist和sre1/4W1.Al transistors ane 25C1000:25C1681GR220kYamahaG100-212IPreamplifierORAWNDATESTNe2001/07/16
请登录后查看评论内容