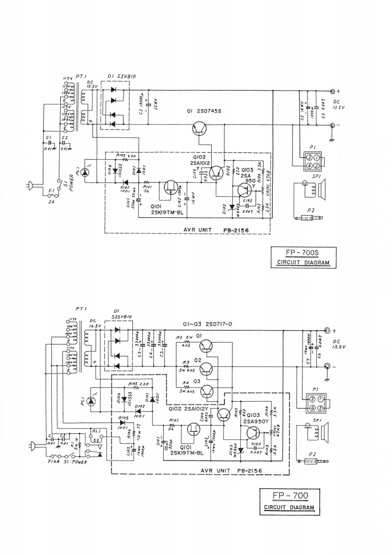
八重洲Yaesu_FP-700_S_电器原理图

八重洲Yaesu_FP-700_S_电器原理图新质力文库 - 聚焦新质生产力发展的数字化知识库_行业洞察 / 理论成果 / 实践指南免费下载新质力文库
八重洲Yaesu_FP-700_S_电器原理图
此内容为付费资源,请付费后查看
2936
立即购买
您当前未登录!建议登陆后购买,可保存购买订单
付费资源

第1页 / 共1页
已完成全部阅读,共1
THE END
T VD1S5v8/0回+2SD745S品Q102M2SA1012找oo32SA502A01012SKI9TM-BLP20f=}✉PAVR UNITPB-2156FP-700SCIRCUIT DIAGRAMDI525v810Q1Q32SD717-0+R2 5w QIR3023we503522K料o1o32SA950Y01012SKI9TM-BLP2FI6ASI POWERAVR UNITPB-2156FP-700CIRCUIT DIAGRAM
喜欢就支持一下吧
评论 抢沙发

请登录后发表评论

    请登录后查看评论内容