雅马哈Yamaha-MPC1-Midi-Program-Controller-Schematic电器原理图

雅马哈Yamaha-MPC1-Midi-Program-Controller-Schematic电器原理图新质力文库 - 聚焦新质生产力发展的数字化知识库_行业洞察 / 理论成果 / 实践指南免费下载新质力文库
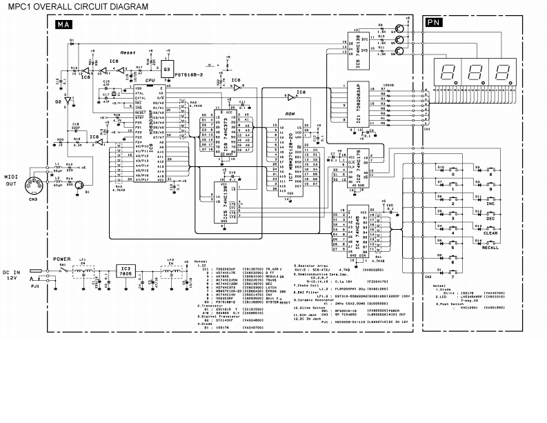
雅马哈Yamaha-MPC1-Midi-Program-Controller-Schematic电器原理图
此内容为付费资源,请付费后查看
2536
立即购买
您当前未登录!建议登陆后购买,可保存购买订单
付费资源

第1页 / 共1页
已完成全部阅读,共1
THE END
MPC1 OVERALL CIRCUIT DIAGRAMMAPNSESOKP&Ice,038T5160-2特T从561721EZEOHFL22e?,,01AP】E45MIDI有≥会gOUT+514DEC2H六ECALLPOWER40g0月、的Ica4.10ocIN《022537e0542¥41,71FL29879g1年655201.8:93PSEBIE-22515C11501C#46量400g5335R-01-11gL283力018轮3N1
喜欢就支持一下吧
评论 抢沙发

请登录后发表评论

    请登录后查看评论内容