罗兰Roland-STK-1-Guitar-Synth-Schematic电器原理图

罗兰Roland-STK-1-Guitar-Synth-Schematic电器原理图新质力文库 - 聚焦新质生产力发展的数字化知识库_行业洞察 / 理论成果 / 实践指南免费下载新质力文库
罗兰Roland-STK-1-Guitar-Synth-Schematic电器原理图
此内容为付费资源,请付费后查看
2336
立即购买
您当前未登录!建议登陆后购买,可保存购买订单
付费资源

第1页 / 共1页
已完成全部阅读,共1
THE END
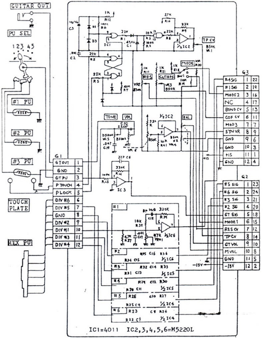
GUITAR OUT]q/H22kcsabPU SELlok n72KD3lookTP CY12】45lct859K时22KioMODE R2022K53RESwl o49622B5okP156219MODE2316#1 PUNC417BEND CY13%1c2丛COF CY672MoD372P可STNVR89RGNDTn96.047GND3GI◆HIS22Pc63P0+156TOUTGND024GND2GTPU3G2P TOUCH个书5s1G123PLocK51c3#656224TOUCHDIV66356321PLATEb1V#57p 330k2%420GNO86T6658DN4291okMODE165R3tDIW时110RES OV72DIY 347k klc6TPCVrol84HEX PUDN叶2GT风25C16R36MWL1o 8R45yicGNDR32c14R13-15V-5Y223I cnKIc5丁R2有cr2 oR28 CIl为rc5#5JR26c1oa7·R25C2c4日C里24Ri2 ci%c4IC1=4011IC2,3,4,5,6=M5220L
喜欢就支持一下吧
评论 抢沙发

请登录后发表评论

    请登录后查看评论内容