

第1页 / 共6页
试读已结束,还剩5页,您可下载完整版后进行离线阅读
THE END
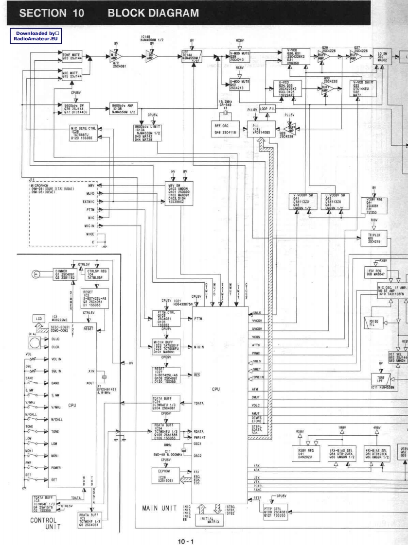
SECTION 10BLOCK DIAGRAMDownloaded by▣RadioAmateur.EU1/2964224222x2422T花144EU4558w1/2PLLSV LOOP FILMIC SENS.CTRLAEF OSCG4828C4116428WDMICINMICEDGT肚5EGTATBLOSFa-33Hwx-cTcse饰S品2201DLUDATTCVOLINCPUSV卓ONE IN辟BANDCPUAFMTDATA BUFFV/WHzTDATA6。V/WH:CPU6规6CPUSVW/CAL「0ATFTyP丽INT2222221BMz90-40o3已05C2CPUSVEEPROMESI4月SET56cs1BUFFTDATAMAIN UNIT价ROATA BUFF疆铝CONTROLINITIXUNIT10-1
请登录后查看评论内容