

第1页 / 共14页
试读已结束,还剩13页,您可下载完整版后进行离线阅读
THE END
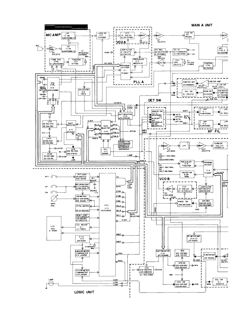
MAIN A UNITcoiMIC AMP225MA62VCOA3c2NJM4558M1/2225K209TONE ENC2M534LPFICITC9到刚PLLAS METER DEME TER限DS MSMBBAS22P040285L59125C770p21s527%DET SWCK DATA●DETA26x8DE T422250AFFER CTRLE用LPF502Q16 DTB123.0-650.CNKVIDER17-501.THUNLOCK SWCK DATAPTTVCo BUPATA01-41T25402825K209SW MHMOD SW20V RECINITAL MATRIX LCPU30226熙LCD DAIVERREG9胎的S METER DETD355225HP8 SwHP0Q32810901IH033w32rHRB色HR2557717LOGIC UNIT
请登录后查看评论内容