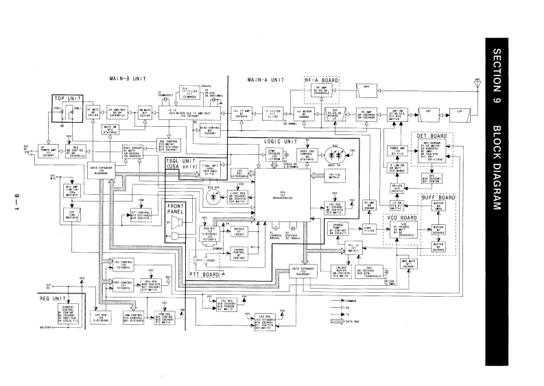
ICOM艾可慕IC-2IA_IE_电器原理图

ICOM艾可慕IC-2IA_IE_电器原理图新质力文库 - 聚焦新质生产力发展的数字化知识库_行业洞察 / 理论成果 / 实践指南免费下载新质力文库
ICOM艾可慕IC-2IA_IE_电器原理图
此内容为付费资源,请付费后查看
2836
立即购买
您当前未登录!建议登陆后购买,可保存购买订单
付费资源

第1页 / 共6页
试读已结束,还剩5页,您可下载完整版后进行离线阅读
THE END
MAIN-B UNITNAIN-A UNITRF-A B0ARD的SECTION 9TOP UNIT0h”细盛"+DET BOARDLOGIC UNITUNIT(USA出BLOCK DIAGRAMBUFF BOARDFRONTPANELCGB0AR丽器i74PTT_B0ARDREG UNIT
喜欢就支持一下吧
评论 抢沙发

请登录后发表评论

    请登录后查看评论内容