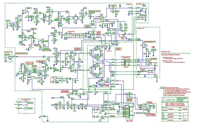
Carvin_MTS-3200_Schematic电器原理图

Carvin_MTS-3200_Schematic电器原理图新质力文库 - 聚焦新质生产力发展的数字化知识库_行业洞察 / 理论成果 / 实践指南免费下载新质力文库
Carvin_MTS-3200_Schematic电器原理图
此内容为付费资源,请付费后查看
1926
立即购买
您当前未登录!建议登陆后购买,可保存购买订单
付费资源

第1页 / 共2页
试读已结束,还剩1页,您可下载完整版后进行离线阅读
THE END
1C00913C老民G】Aagr世y Revhan情gy山品.00E际③速月0OO剂C家CARVIN12032002CHN但EMOuNaMAFOS80-001W E进的色du制
喜欢就支持一下吧
评论 抢沙发

请登录后发表评论

    请登录后查看评论内容