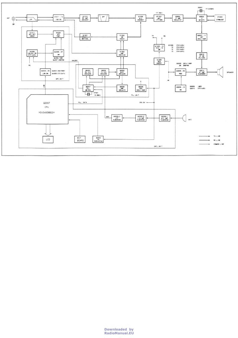
FT-26_电器原理图

FT-26_电器原理图新质力文库 - 聚焦新质生产力发展的数字化知识库_行业洞察 / 理论成果 / 实践指南免费下载新质力文库
FT-26_电器原理图
此内容为付费资源,请付费后查看
1926
立即购买
您当前未登录!建议登陆后购买,可保存购买订单
付费资源

第1页 / 共9页
试读已结束,还剩8页,您可下载完整版后进行离线阅读
THE END
h二啊院司啤品解4盆43.5448e31s4i5LoW sH器Ta可92c07cPU404046C93224三Downloaded byRadioManual.EU
喜欢就支持一下吧
评论 抢沙发

请登录后发表评论

    请登录后查看评论内容