

第1页 / 共5页
试读已结束,还剩4页,您可下载完整版后进行离线阅读
THE END
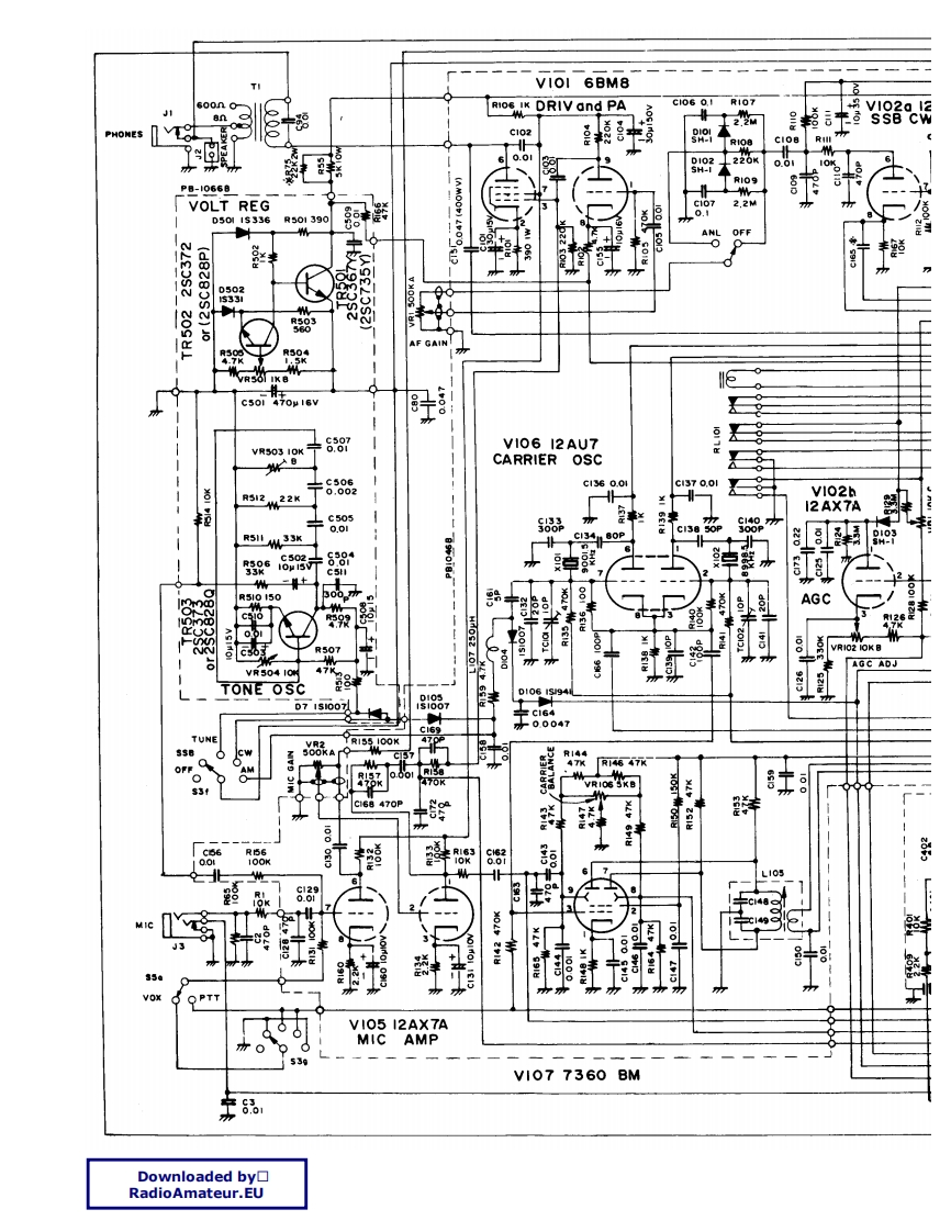
VIOI 6BM8mo DRIV and PA次VI02g_ISSB CWPHONES18c102器RPB-1066B109VOLT REGD5015336R501390链215152AF GAINVR50310K8387V1O6 12AU7CARRIER OSCc1360.01V102bR312w22K12AX7AC5050.0186品品药568R3L州33Kc38贤R6838州土R510I50AGC507VRIO2 IOK BAGC ADJVR50410TONE OSCD7C16400047TUNEcw08OFF7Q83f88688将1035VIO5 12AX7AMICAMP3VI077360BM66Downloaded by▣RadioAmateur.EU
请登录后查看评论内容