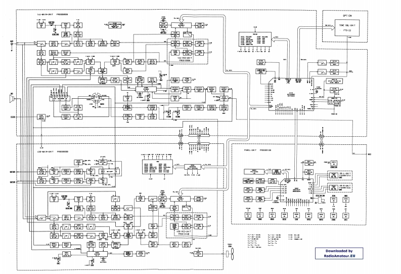
FT-8100R_电器原理图

FT-8100R_电器原理图新质力文库 - 聚焦新质生产力发展的数字化知识库_行业洞察 / 理论成果 / 实践指南免费下载新质力文库
FT-8100R_电器原理图
此内容为付费资源,请付费后查看
2333
立即购买
您当前未登录!建议登陆后购买,可保存购买订单
付费资源

第1页 / 共5页
试读已结束,还剩4页,您可下载完整版后进行离线阅读
THE END
百骂甲南出申%2南回图回由由由留名留图中目盛單南恩围閏图图南卤画向暂草每回图图☑围✉南面面圆率南早基图百“南岛率喇虽一回南厚团由图受图宴进厚语时汽T江量唐一帝件回每海国阅电单空☐兰園始图2删面面图园学电」好品玉1校图曲由回堂兰?国自总团南岛园h南电卤回图回岛面由留串图面自自自自自自南☑岛☑]岛图中窗同园司塔率罩固三国国。孕圆一码雨图南Downloaded byRadioAmateur.EU
喜欢就支持一下吧
评论 抢沙发

请登录后发表评论

    请登录后查看评论内容