

第1页 / 共6页
试读已结束,还剩5页,您可下载完整版后进行离线阅读
THE END
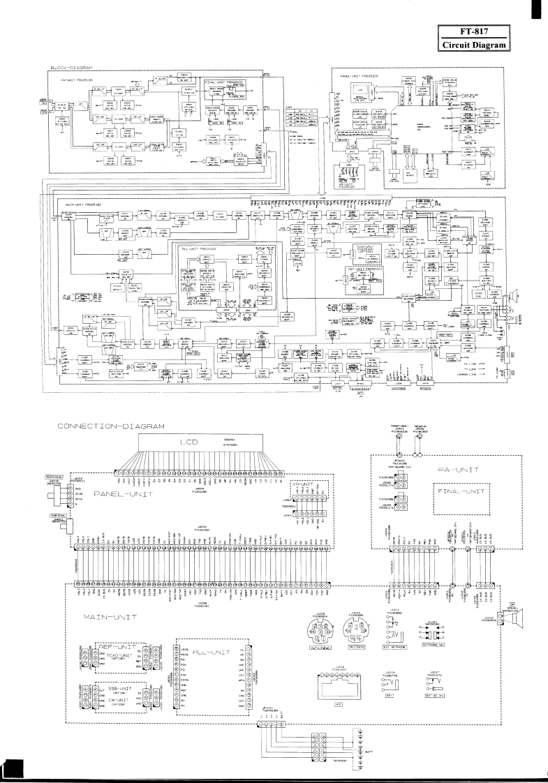
FT-817Cireuit DiagramBLSO85AGBM7-间四名程挥好Z思厚-#理站中播和密学举一南字华审甲迅CONNECTION-DIAGRAMLCO@面面d恋面卤卤密心心市花南前由本卤市喜古古西令商口A-UNIT:VR-UNIT“可PANEL-UNITFINAL-UNIT,0而59用自百百色西色自图静的药为时的南内。随⑧奋色心心行南卤卤古面方餐日8猫g用99用8阳189gtg3相9gi8eR8teMAIN-UNITL-N工To
请登录后查看评论内容