ICOM艾可慕Icom_HM-98_电器原理图

ICOM艾可慕Icom_HM-98_电器原理图新质力文库 - 聚焦新质生产力发展的数字化知识库_行业洞察 / 理论成果 / 实践指南免费下载新质力文库
ICOM艾可慕Icom_HM-98_电器原理图
此内容为付费资源,请付费后查看
2636
立即购买
您当前未登录!建议登陆后购买,可保存购买订单
付费资源

第1页 / 共1页
已完成全部阅读,共1
THE END
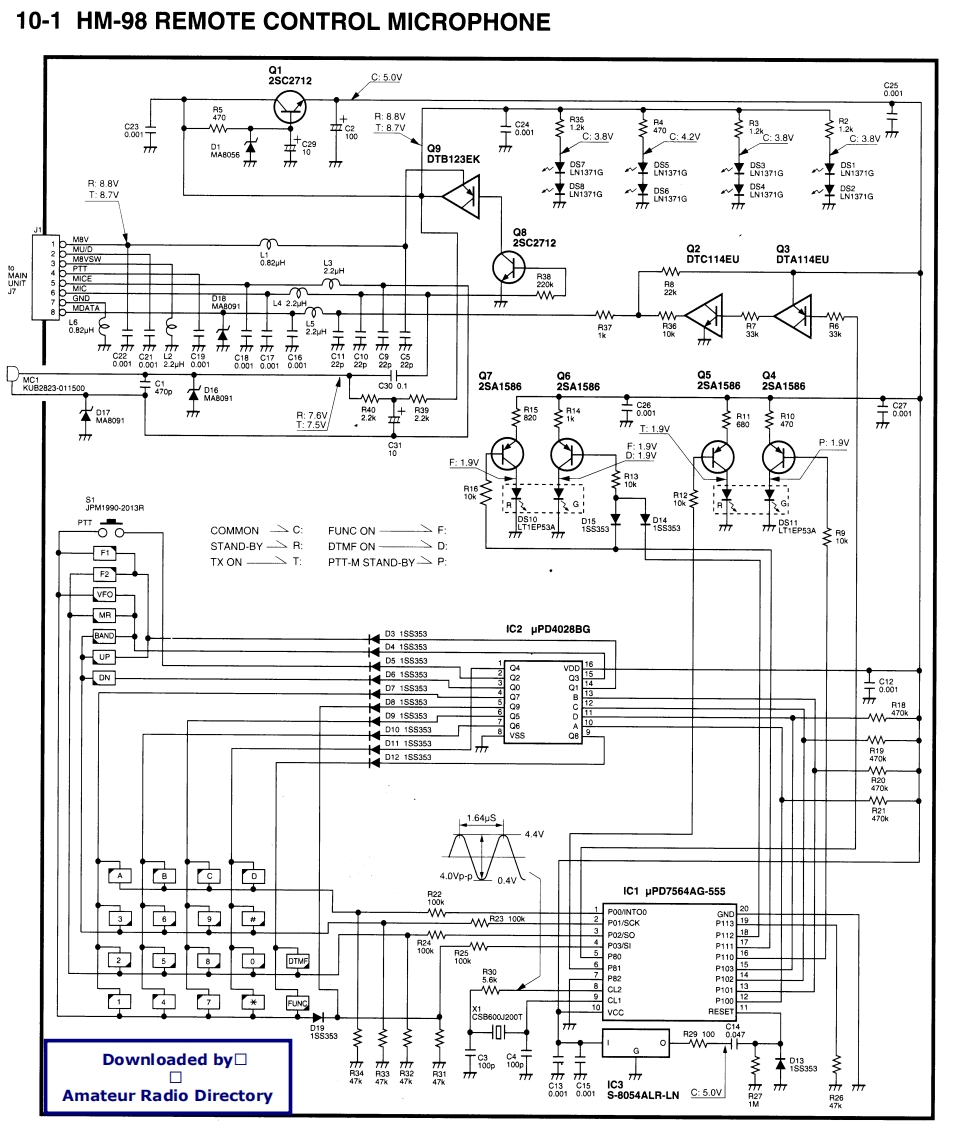
10-1 HM-98 REMOTE CONTROL MICROPHONEQ12SC2712C:5.0w6说15R:8.8VWT:8.7w骏C:3.8VC:42VcC:3.8v7Rkae5a市DTB123EKDS1LN1371GN1371GR:8.8VT:8.7B16Sig7GDS2LN1371G7市市MBVQ810SC271221QTC114EU80A114EUMICE品nL42.2H62HS品,品上T方郭TE88H8MC1Q98A1586Q5Q4KUB2823-011500C300.12SA1586SA1586SA1586w办7刷骏T:1.9858别P:1.9F:1.95PM190-2013R9PTTD14COMMON C:FUNC ONF:1EP53A983591S353h沿P53ASTAND-BY-R:DTMF OND:TX ON T:PTT-M STAND-BY P:031S353IC2 uPD4028BG04155353D515535316D51SS3532VDD15D71SS353Q11413品D815S353345工D9155353服10D101S5353D111SS353D121sS3531.64μS4.4V@▣孕4.0Vo-p04IC1μPD7564AG-555器POOANTOOP01/SCK3P0230P1121P03S1pP111孕回型5P80P11076P81P103P82P102中回的型CL2P101CL1P1005002010vccRESET9g8359GDownloaded by▣赘融爽资品T9353▣Amateur IRadio Directory品IC3S-8054ALR-LNC:5.0密
喜欢就支持一下吧
评论 抢沙发

请登录后发表评论

    请登录后查看评论内容