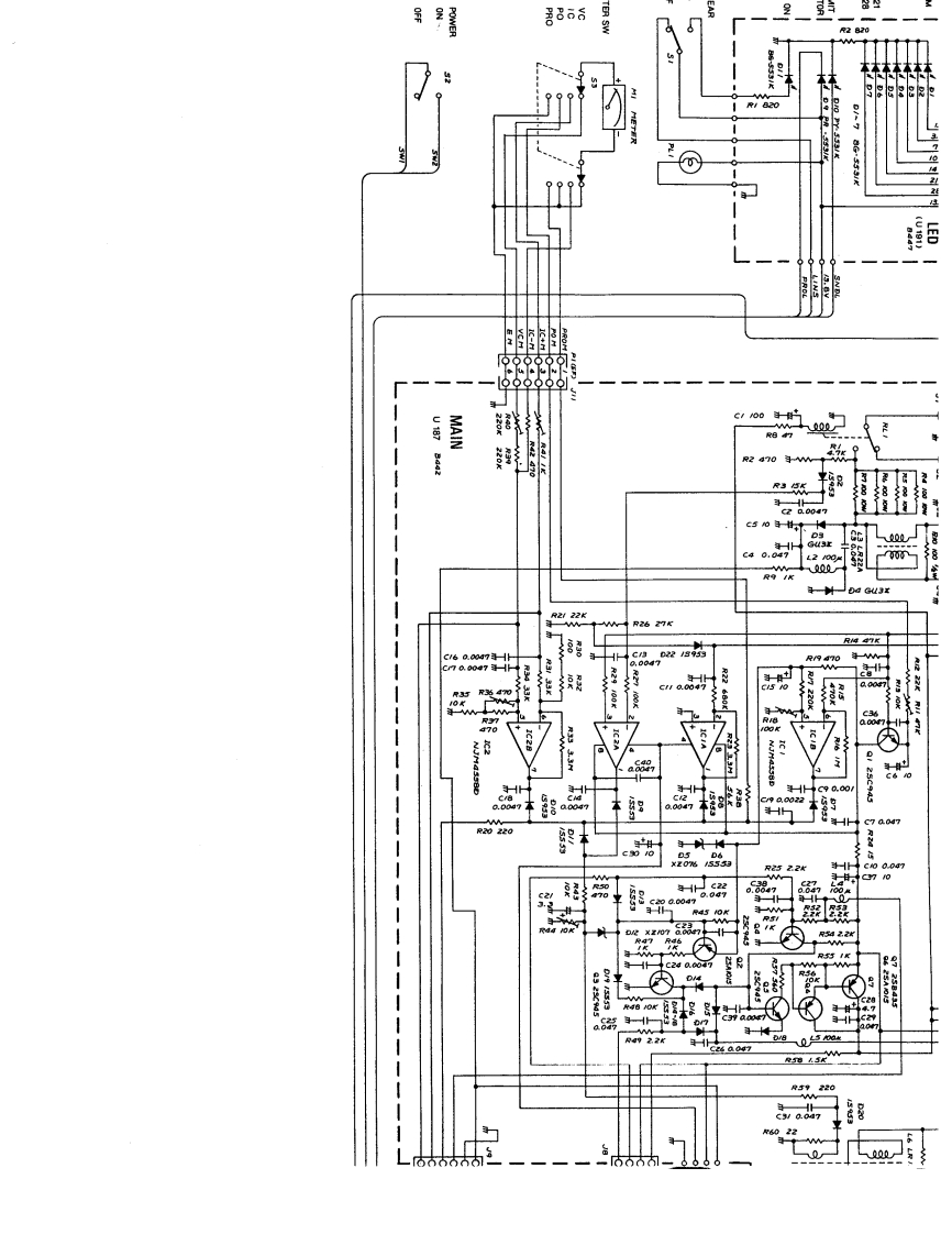
ICOM艾可慕Icom_IC-2KL_电器原理图

ICOM艾可慕Icom_IC-2KL_电器原理图新质力文库 - 聚焦新质生产力发展的数字化知识库_行业洞察 / 理论成果 / 实践指南免费下载新质力文库
ICOM艾可慕Icom_IC-2KL_电器原理图
此内容为付费资源,请付费后查看
2636
立即购买
您当前未登录!建议登陆后购买,可保存购买订单
付费资源

第1页 / 共7页
试读已结束,还剩6页,您可下载完整版后进行离线阅读
THE END
POWER8669NR2820201LPROMAINR2 470R3583上C40.07L20R9 IKR2627k8C/6 0.00477007a,004727220IC/Ba88c9a.00a.004790.0022e202283c00D6xE0%555R25228品c0.0047骨45we1a8篇Ra9之220C3 0.087602200尸5
喜欢就支持一下吧
评论 抢沙发

请登录后发表评论

    请登录后查看评论内容