ICOM艾可慕Icom_IC-PS-15_电器原理图

ICOM艾可慕Icom_IC-PS-15_电器原理图新质力文库 - 聚焦新质生产力发展的数字化知识库_行业洞察 / 理论成果 / 实践指南免费下载新质力文库
ICOM艾可慕Icom_IC-PS-15_电器原理图
此内容为付费资源,请付费后查看
2936
立即购买
您当前未登录!建议登陆后购买,可保存购买订单
付费资源

第1页 / 共1页
已完成全部阅读,共1
THE END
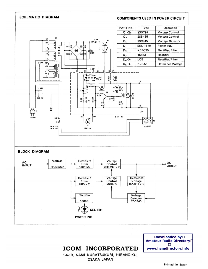
SCHEMATIC DIAGRAMCOMPONENTS USED IN POWER CIRCUITPART No.TypeOperationQ1Q22SD797Voltage ControlQ32SB435Voltage Control22u1oQ425C945Voltage DetectorD1SEL-151RPower IND.02KBPC25Rectifier/FilterD313S53RectifierDa4DsU05Rectifier/FilterD6D7XZ-051Reference Voltage3日云中00,01出转ItI号BLOCK DIAGRAMACVoltageRectifier/VoltageINPUTFilterControl0DCConverterKBPC252SD797×2OutputRectifier/VoltageReferenceFilterControlVoltageU05×22SB435XZ-051×2RectifierVoltageDetector1sS532$C945④SEL-15RPOWER INDDownloaded by□Amateur Radio Directory口ICOM INCORPORATEDwww.hamdirectory.info1-6-19,KAMI KURATSUKURI,HIRANO-KU,OSAKA JAPANPrinted in Japan
喜欢就支持一下吧
评论 抢沙发

请登录后发表评论

    请登录后查看评论内容