Line_6_FB4_Footswitch_Service_Manual维修服务手册含电器原理图

Line_6_FB4_Footswitch_Service_Manual维修服务手册含电器原理图新质力文库 - 聚焦新质生产力发展的数字化知识库_行业洞察 / 理论成果 / 实践指南免费下载新质力文库
Line_6_FB4_Footswitch_Service_Manual维修服务手册含电器原理图
此内容为付费资源,请付费后查看
2939
立即购买
您当前未登录!建议登陆后购买,可保存购买订单
付费资源

第1页 / 共4页
试读已结束,还剩3页,您可下载完整版后进行离线阅读
THE END
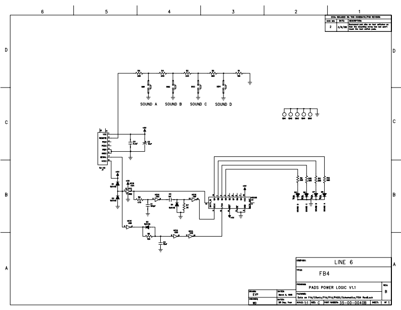
654/DDSOUND ASOUND B SOUND CSOUND D福细编细礼进注Bi中复月LINE 6AFB4PADS POWER LOGIC VL1wN11@Gw35-00-00408m1w1
喜欢就支持一下吧
评论 抢沙发

请登录后发表评论

    请登录后查看评论内容