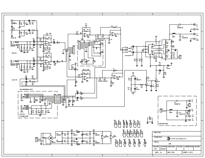
Mackie_CR4_Schematic电器原理图

Mackie_CR4_Schematic电器原理图新质力文库 - 聚焦新质生产力发展的数字化知识库_行业洞察 / 理论成果 / 实践指南免费下载新质力文库
Mackie_CR4_Schematic电器原理图
此内容为付费资源,请付费后查看
2939
立即购买
您当前未登录!建议登陆后购买,可保存购买订单
付费资源

第1页 / 共1页
已完成全部阅读,共1
THE END
9品iw器器AUKIP_司船静舞的白c0011置。转弱雅GLOUD Techeelagianinc.的年手年牙牙TCDAW阳口立u水:4口止A7正T:A4V:VIOSHEET:I OF 2
喜欢就支持一下吧
评论 抢沙发

请登录后发表评论

    请登录后查看评论内容