Morley_FXB_Effects_Blender_Schematic电器原理图

Morley_FXB_Effects_Blender_Schematic电器原理图新质力文库 - 聚焦新质生产力发展的数字化知识库_行业洞察 / 理论成果 / 实践指南免费下载新质力文库
Morley_FXB_Effects_Blender_Schematic电器原理图
此内容为付费资源,请付费后查看
2939
立即购买
您当前未登录!建议登陆后购买,可保存购买订单
付费资源

第1页 / 共1页
已完成全部阅读,共1
THE END
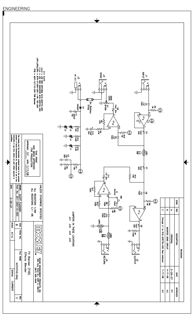
ENGINEERINGPCB M23-101110-000 FXB BlondorLR1D2105373-21164-000L-020180-2008J元令销语APPROVDD:S.F.OATE:7/17/08对阳PWw由共9阳8m2gUNLESS OTHERWISE SPECIFIED:③ZONE REV·TS SCSIZE FSCM NO.JU1 JU2 JU3 JU4JUMPERS IN THESE LOCATIONS四Change L1 te R16-005734-000 Red indicatorNOOFIED SEND CRCUITORIGINALEffects BlenderFX Blender (FXB)REVSONSSTATUS:CURRENT-·dWg sc十382-26-00APPROVED
喜欢就支持一下吧
评论 抢沙发

请登录后发表评论

    请登录后查看评论内容