

第1页 / 共3页
试读已结束,还剩2页,您可下载完整版后进行离线阅读
THE END
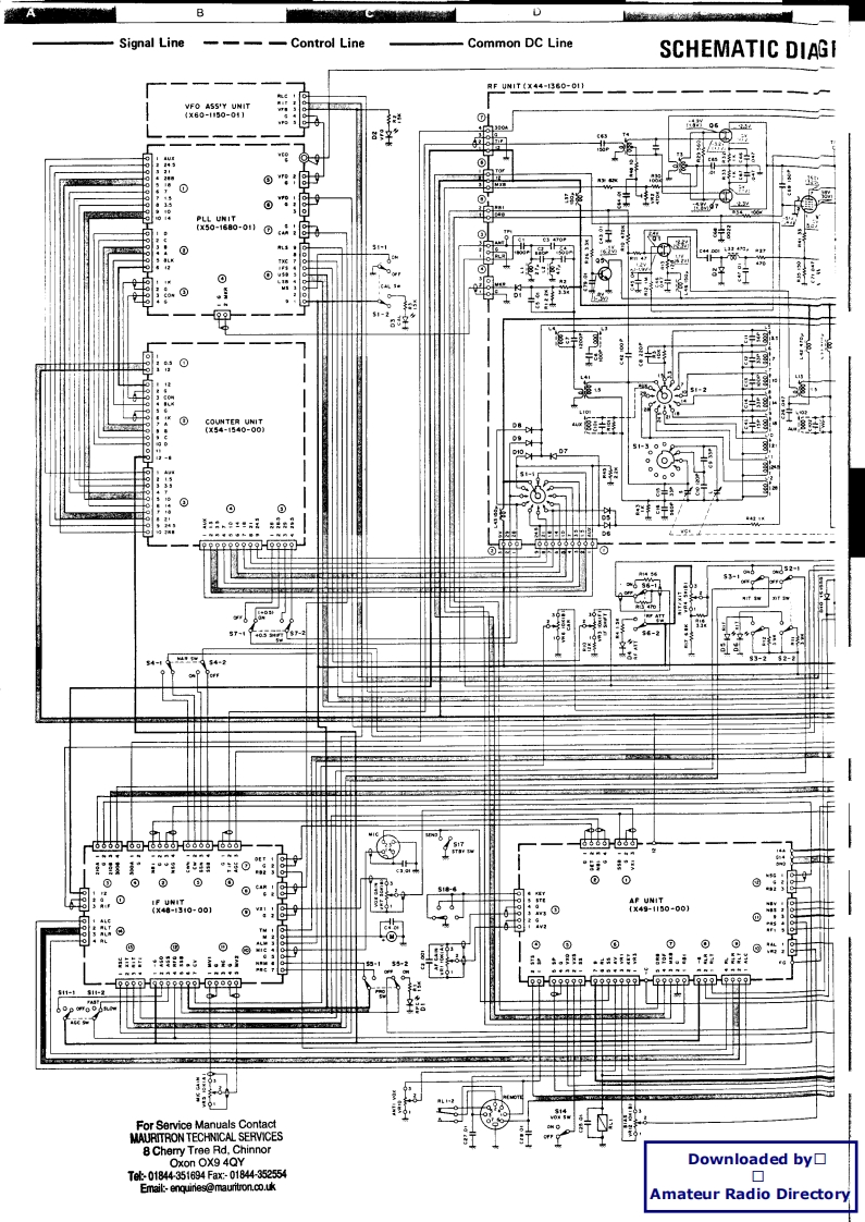
ABSignal Line-Control LineCommon DC LineSCHEMATIC DIAGIRF UNIT(x44-I360-011⊙0形,型研887696329tt.ee:日e日车料“0来名果票e3-1T-4h中hH6回-古的-⊙66的6的o0⊙⊙12259::甜,:i。¥,员[99999回H999911-tFor Service Manuals ContactMAURITRON TECHNICAL SERVICES8 Cherry Tree Rd.ChinnorOxon OX9 4QYDownloaded by▣T01844351694Fax01844-35255Email:-enquines@mauritron.co.ukAmateur Radio Directory
请登录后查看评论内容