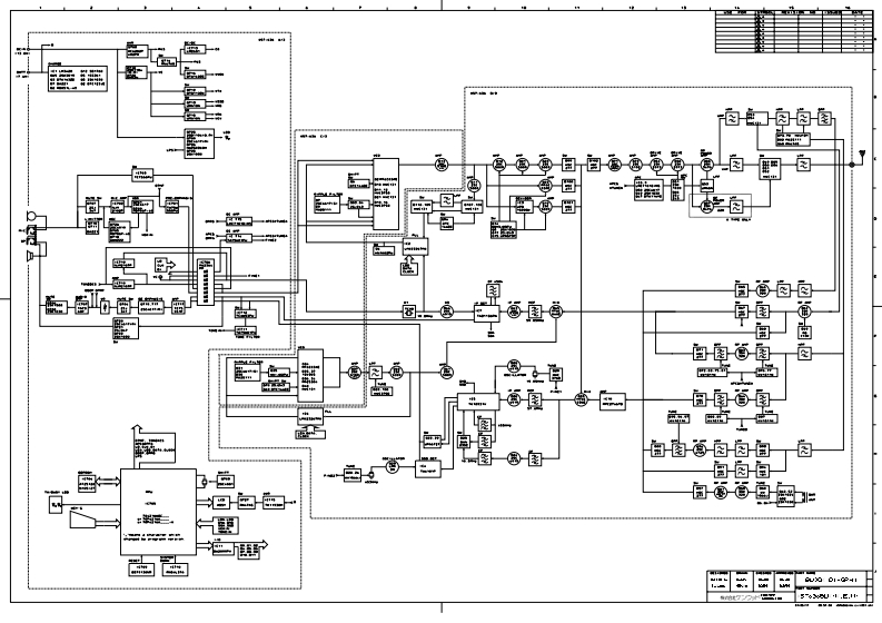
TH-F6_F7_Block_diagram维修电器原理图手册

TH-F6_F7_Block_diagram维修电器原理图手册新质力文库 - 聚焦新质生产力发展的数字化知识库_行业洞察 / 理论成果 / 实践指南免费下载新质力文库
TH-F6_F7_Block_diagram维修电器原理图手册
此内容为付费资源,请付费后查看
2939
立即购买
您当前未登录!建议登陆后购买,可保存购买订单
付费资源

第1页 / 共1页
已完成全部阅读,共1
THE END
卸上包色口每每图中含国雪自自。酒屋至南-包国包画固茴啊国博間“菌其▣一兰品=卧笆然间面囟包司钓纹自图图③面且闻香士岛品德-国片的色一部电里自国-图图自图德包包自一包下回间肉自一日回✉,自-图:主,卸=色旷西面HBB563U1.E.1
喜欢就支持一下吧
评论 抢沙发

请登录后发表评论

    请登录后查看评论内容