korg_phs1_phaser

korg_phs1_phaser新质力文库 - 聚焦新质生产力发展的数字化知识库_行业洞察 / 理论成果 / 实践指南免费下载新质力文库
korg_phs1_phaser
此内容为付费资源,请付费后查看
2939
立即购买
您当前未登录!建议登陆后购买,可保存购买订单
付费资源

第1页 / 共1页
已完成全部阅读,共1
THE END
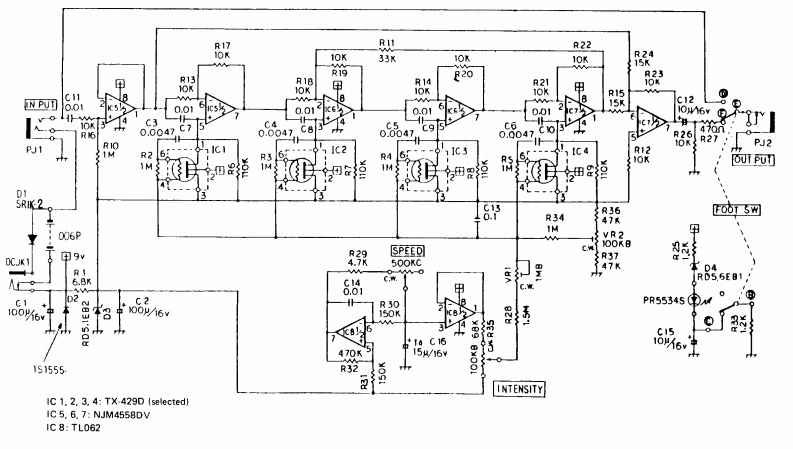
R17R221010M33KIOK10K的R20甲R13R18R14R2131010K甲810K001c5写C120.010.0190.0100110M6¥10KC30.0047C7C40.0047.C80.0047.c90.0047CR2610K3R27PJ2PJ1R26IC2IC4R12R36.R41c310KOUT PUT)IM201SRIK-2R36FooI Sw)R3447KIM006PVR2甲C.W7OOKBDCJK 1甲9v界SPEED500KG本4M-068K1RD5.5E81,'026甲c.w0c2PR5534S①M1006800/6¥职母是C16SEUMO470K15W6¥声A1S1555R32INTENSITYIC 1.2.3,4:TX-429D (selected)1C5.6,7:NJM4558DV1C8:TL062
喜欢就支持一下吧
评论 抢沙发

请登录后发表评论

    请登录后查看评论内容