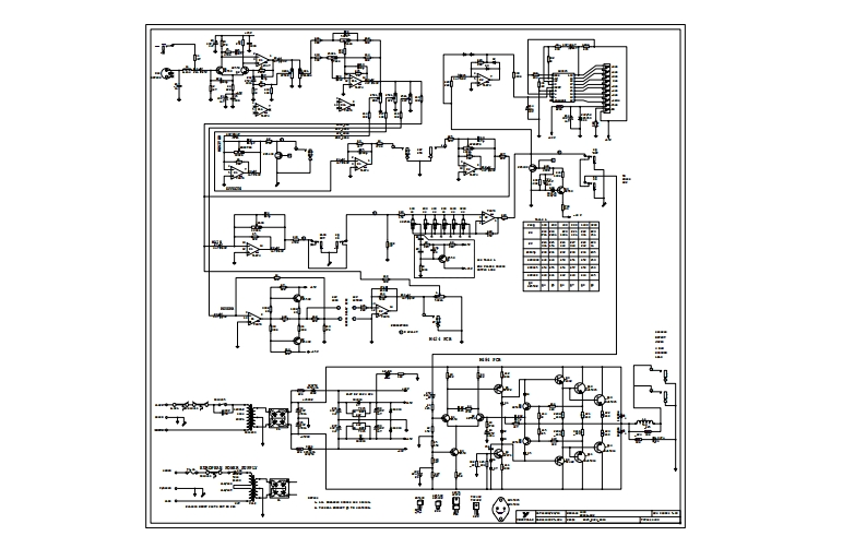
Yorkville-6400-Mixer-Amp-Service-Manual维修服务手册说明书含电器原理图

Yorkville-6400-Mixer-Amp-Service-Manual维修服务手册说明书含电器原理图新质力文库 - 聚焦新质生产力发展的数字化知识库_行业洞察 / 理论成果 / 实践指南免费下载新质力文库
Yorkville-6400-Mixer-Amp-Service-Manual维修服务手册说明书含电器原理图
此内容为付费资源,请付费后查看
1939
立即购买
您当前未登录!建议登陆后购买,可保存购买订单
付费资源

第1页 / 共5页
试读已结束,还剩4页,您可下载完整版后进行离线阅读
THE END
喜欢就支持一下吧
评论 抢沙发

请登录后发表评论

    请登录后查看评论内容