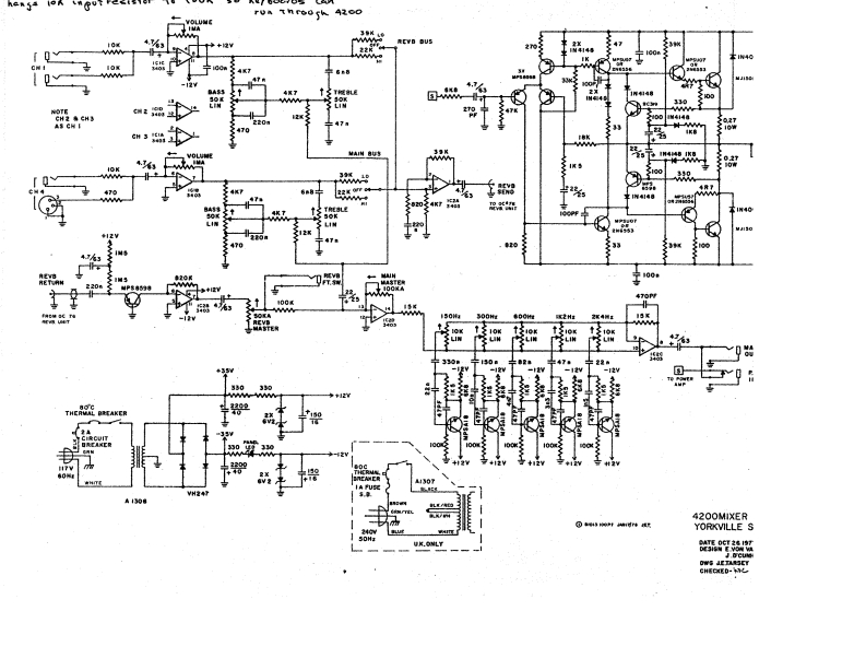
Yorkville-MX-4200-Mixer-Amp-Schematic电器原理图

Yorkville-MX-4200-Mixer-Amp-Schematic电器原理图新质力文库 - 聚焦新质生产力发展的数字化知识库_行业洞察 / 理论成果 / 实践指南免费下载新质力文库
Yorkville-MX-4200-Mixer-Amp-Schematic电器原理图
此内容为付费资源,请付费后查看
1939
立即购买
您当前未登录!建议登陆后购买,可保存购买订单
付费资源

第1页 / 共1页
已完成全部阅读,共1
THE END
4200IMA43隆Y05U5221410474了24LIN130NOTEGH2传CH341420527A第CWI474702MAIN BUS40270有47968器47W14852024050KLIN12470632000NET220%003K50303012TEAKER1217V0AU纪4200MIXER04厚时特:时体我式YORKVILLE SǚueOWS JETARSEY
喜欢就支持一下吧
评论 抢沙发

请登录后发表评论

    请登录后查看评论内容