Standard_C-108_电器原理图

Standard_C-108_电器原理图新质力文库 - 聚焦新质生产力发展的数字化知识库_行业洞察 / 理论成果 / 实践指南免费下载新质力文库
Standard_C-108_电器原理图
此内容为付费资源,请付费后查看
2933
立即购买
您当前未登录!建议登陆后购买,可保存购买订单
付费资源

第1页 / 共1页
已完成全部阅读,共1
THE END
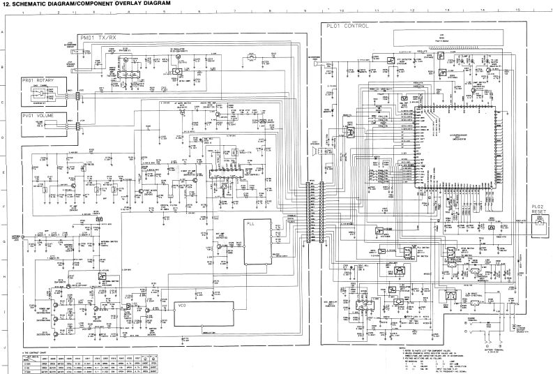
12 SCHEMATIC DIAGRAM/COMPONENT OVERLAY DIAGRAM1914PLO1 CONTROLPMO1 TX/RX,图的PROT ROTARY里了装月三RESETPLL性器抖四碎:时四是o-
喜欢就支持一下吧
评论 抢沙发

请登录后发表评论

    请登录后查看评论内容