Standard_C-5608D_电器原理图

Standard_C-5608D_电器原理图新质力文库 - 聚焦新质生产力发展的数字化知识库_行业洞察 / 理论成果 / 实践指南免费下载新质力文库
Standard_C-5608D_电器原理图
此内容为付费资源,请付费后查看
2933
立即购买
您当前未登录!建议登陆后购买,可保存购买订单
付费资源

第1页 / 共8页
试读已结束,还剩7页,您可下载完整版后进行离线阅读
THE END
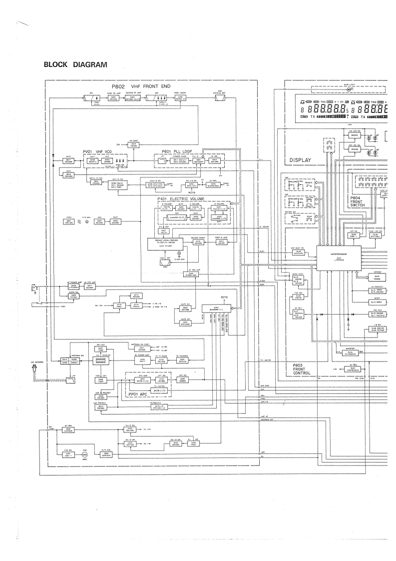
BLOCK DIAGRAMP802 VHF FRONT END日8丽B:日88E图TX5#县gY四mTXs红W学[PVO1 VHF VCOPEO1 PLL LOOP尚单DISPLAY二一卤「丹高会高子的%尚五h片常完究字行P401 ELECTRIC VOLLME尚燕前家m窗“卓岛卤网-益ootire☐点兰上色学尚尚商博学…省尚
喜欢就支持一下吧
评论 抢沙发

请登录后发表评论

    请登录后查看评论内容