

第1页 / 共10页
试读已结束,还剩9页,您可下载完整版后进行离线阅读
THE END
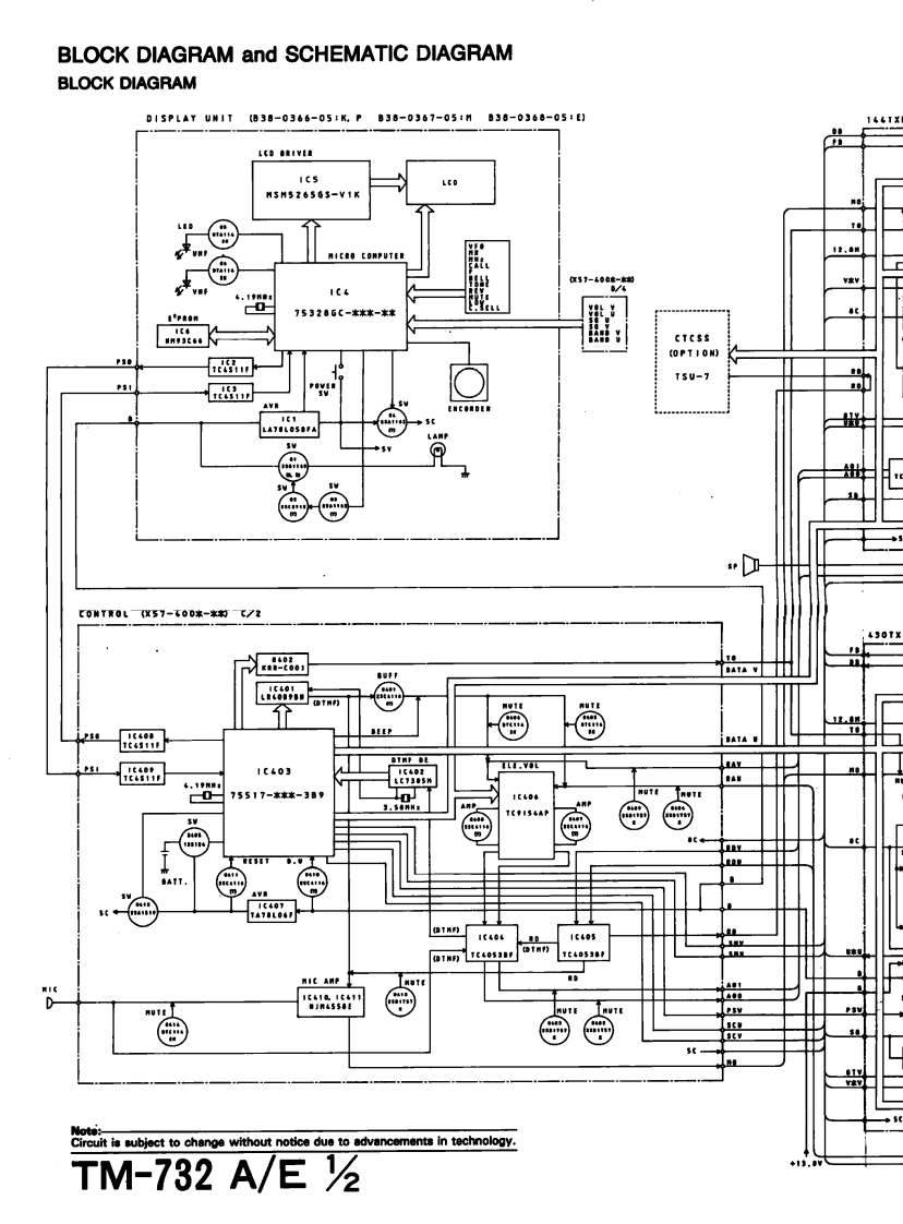
BLOCK DIAGRAM and SCHEMATIC DIAGRAMBLOCK DIAGRAM015 PLAT UN1T【835-0366-05rK,PB38-0367-05tH自38-0368-05:E11CB●t1VLt1c5州5州526505-V1K⑧⊙NICRO CONPUTER12,本。1州康子1c4EPRON753286C-米米求-米*1c4CTCSS(OPT ION)竖田dT5u-7盟ENCORDER1t1批LATSLOSOFA出白C0WTR0Lx57-不00米-米和-℃72430BATA W12.1E4001t4311POTAF OE1c403184014,1州3LC7385N075517-米*-3891C4903.S养MaAPeAYA型音st+位1两力(TNF)TE405301周ICA时Pt1D1g11c411色AOD1领4550ENUTENUTEP型P1Nots:-Circuit is subject to change without notice due to advancements in technology.TM-732A/E2◆13.7
请登录后查看评论内容