

第1页 / 共12页
试读已结束,还剩11页,您可下载完整版后进行离线阅读
THE END
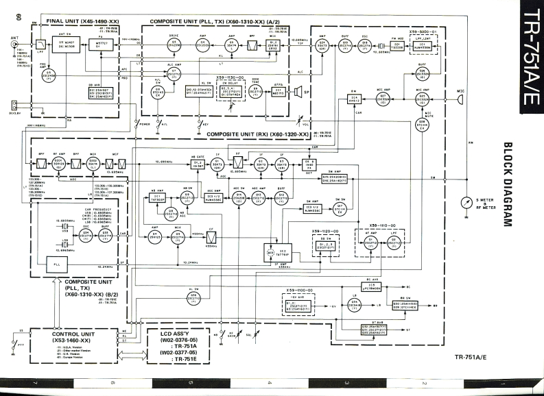
FINAL UNIT (X45-1490-XXCOMPOSITE UNIT (PLL,TX)(X60-1310-XX)(A/2)4aTa▣-92-9145ttLTTR-751A/EC0MP0 SITE UNIT (RX)X0-1320-XX刈☑-☑学©☑®图1由BLOCK DIAGRAMx39-1i0-00☑F 4b511#COMPOSITE UNIT韩4n8PLL.TX)x5-90-0(X60.1310-XX0B/2):1CONTROL UNITLCD ASSY1X53-1460-XX002.0376-05:TR-751Aw02-0377.05):TR-751ETR-751A/E
请登录后查看评论内容