

第1页 / 共6页
试读已结束,还剩5页,您可下载完整版后进行离线阅读
THE END
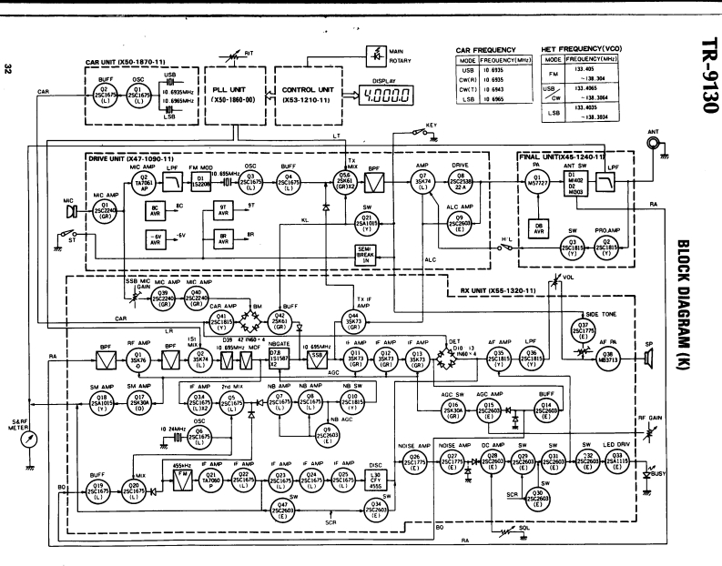
CAR FREQUENCYET FREQU回NGY(VCO)MODE FREOUENCY(MH】MODE FREOUENCYCMHE阳CAR UNIT IX50-1870-111USB10.613533.5FM05GW代10.5535-130.340201g第6飘LNTCONTROL UNT4.800.01065431.465TR-9130(L](L)tt.5wu1(x50-10-00)x53-1210-111G-14.16H0.a35L58-3.334ANT6 RIVE UNI斤x47.1o90.1ii下4LU451240.11MC AMPFM MOD050BPFAMPANT SW40461图MIC AMPALC AMPRA(CR)5FRO AMP-EV92SSB MCVOLMC AMP月K UNIT IX55-132011][CR]CAR AMFGA周SIDE TONE01725177(E)IF AUEDETSPBLOCK DIAGRAM (K)D10393e13SM AMPSM AMPAMPrd Mia10AGC AMP016700OC AMLED DRM(E]ESCR0
请登录后查看评论内容