TR-9500_电器原理图_SV1BSX

TR-9500_电器原理图_SV1BSX新质力文库 - 聚焦新质生产力发展的数字化知识库_行业洞察 / 理论成果 / 实践指南免费下载新质力文库
TR-9500_电器原理图_SV1BSX
此内容为付费资源,请付费后查看
2939
立即购买
您当前未登录!建议登陆后购买,可保存购买订单
付费资源

第1页 / 共6页
试读已结束,还剩5页,您可下载完整版后进行离线阅读
THE END
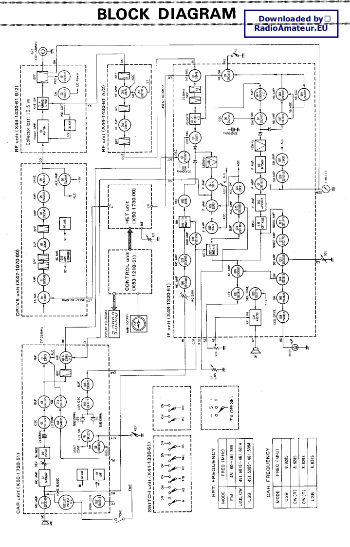
L11-6011BLOCK DIAGRAMDownloaded byRadioAmateur.EU110100每日·海海(00-0LOL-LPX)un(L9-OEEL-LPX)iUn HOLIMS665-19#-09.1c5#96S:1-5865:15S180:4300W115:1960/19:156.3033n
喜欢就支持一下吧
评论 抢沙发

请登录后发表评论

    请登录后查看评论内容