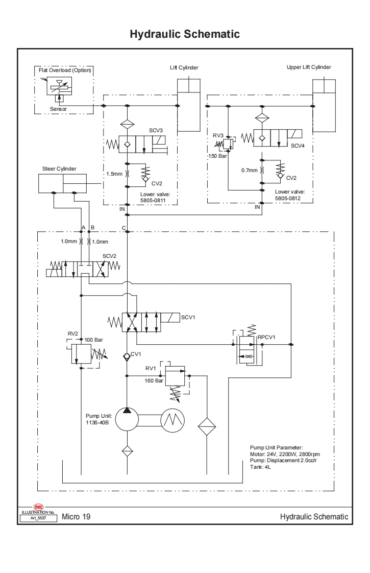
MEC升降车平台43894-SCH维修电气原理图手册

MEC升降车平台43894-SCH维修电气原理图手册新质力文库 - 聚焦新质生产力发展的数字化知识库_行业洞察 / 理论成果 / 实践指南免费下载新质力文库
MEC升降车平台43894-SCH维修电气原理图手册
此内容为付费资源,请付费后查看
2939
立即购买
您当前未登录!建议登陆后购买,可保存购买订单
付费资源

第1页 / 共3页

第2页 / 共3页
试读已结束,还剩1页,您可下载完整版后进行离线阅读
THE END
FO“间a可到h口四a900在西降日马在西收正dElectrical Schematic
喜欢就支持一下吧
评论 抢沙发

请登录后发表评论

    请登录后查看评论内容