

第1页 / 共15页

第2页 / 共15页
试读已结束,还剩13页,您可下载完整版后进行离线阅读
THE END
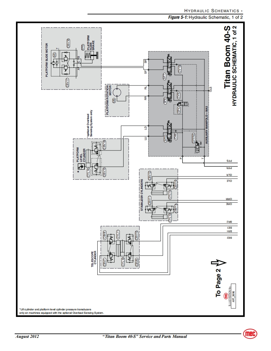
HYDRAULIC SCHEMATICSHYDRAULIC SCHEMATICSThe following table applies to Figure 5-1 through Figure 5-5.CalloutDescriptionCalloutDescriptionBR1-BR4Wheel Brakes (located in gear hubs)ORF1Orifice--Brake Apply .040BR5Platform Slide BrakeORF2Orifice--Traction Manifold .052CBV1-CBV18Counterbalance ValvesORF3Orifice--Traction Manifold .052CR1-CR2Cross-Port Relief ValveORF4Orifice--Traction Manifold .040CV1Check Valve,P1ORF5Orifice--Traction Manifold .090CV2Check Valve--Load SenseORF6Orifice--Generator Option .030CV3Check Valve--Load SensePD1Pilot-Operated ValveCV4Check Valve--Load SensePD2Pilot-Operated ValveCV5Check Valve--Load SensePFC1Priority Flow Control--5 gpmCV6Check Valve--Low to High FlowPR1Pressure Reducing ValveCV7Check Valve--Auxiliary Manifold SupplyRV1Relief Valve--High FlowCV8Check Valve--Platform LevelRV2Relief Valve -TelescopeCV9Check Valve--Platform RotateRV3Relief Valve--Low FlowCV10Check Valve--Platform SlideRV4Relief Valve-Traction Manifold 300 psiCYL1Boom Lift CylinderSP1Proportional Valve--BoomCYL2-CYL5Steer CylindersSP2Proportional Valve--TelescopeCYL6-CYL9Axle CylindersSP3Proportional Valve--StabilizerCYL10-CYL11Boom Extend CylindersSP4Proportional Valve--StabilizerCYL12-CYL13Stabilizer CylindersSP5Proportional Valve--Platform LevelCYL14Platform Level CylinderSP6Proportional Valve--Platform RotateEP1Flow Compensator--BoomSP7Proportional Valve--Platform SlideEP2Flow Compensator--TelescopeSVD1Directional Valve--BoomEP3Flow Control --Auxiliary PumpSVD2Directional Valve--Steer SelectEP4Flow Control--Auxiliary ManifoldSV1Solenoid Valve--L/S Dump Hi-FlowEPFR1Flow RegulatorSV2Solenoid Valve--Re-Gen,Tele ExtendEPFR2Flow RegulatorSV3Solenoid Valve--Re-Gen,Tele RetractF1Return FilterSV4Solenoid Valve--Axle FloatF2,3Pressure Filter (OPTION)SV5Solenoid Valve--Steer DirectionFD1Flow Divider--TelescopeSV6Solenoid Valve--Frame LevelFD2Flow Divider--Traction ManifoldSV7Solenoid Valve--Low Flow DumpFD3Flow Divider--Traction ManifoldSV8Solenoid Valve -BrakeFD4Flow Divider--Traction ManifoldSV9Solenoid Valve--2-Speed DriveFR1Flow Regulator--SteerFR2Flow Regulator--Auxiliary ManifoldHS1Oil Shuttle ValveLS2Load Sense ShuttleLS3Load Sense ShuttleM1-M4Motor--WheelsGauge PortsM5Motor--Platform SlideGP1Gauge Port--High FlowM6Motor--Platform RotateGP2Gauge Port--Low FlowMA1Functions ManifoldGCPGauge Port --Charge PressureMA2Traction ManifoldGDGauge Port--Drive PressureMA3Auxiliary Manifoldmec"Titan Boom 40-S"Service and Parts ManualAugust 2012
请登录后查看评论内容