

第1页 / 共13页

第2页 / 共13页
试读已结束,还剩11页,您可下载完整版后进行离线阅读
THE END
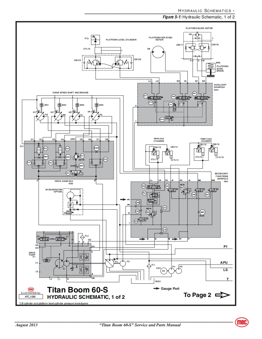
HYDRAULIC SCHEMATICSHYDRAULIC SCHEMATICSThe following table applies to Figure 5-1 through Figure 5-7.CalloutDescriptionCalloutDescriptionBR1-BR4Wheel Brakes (located in gear hubs)ORF4Orifice--Traction Manifold .052BR5Platform Slide BrakeORF5Orifice--Traction Manifold.090CBV1-CBV20Counterbalance valvesORF6Orifice--Traction Manifold.040CR1-CR2Cross-Port Relief ValveP1Pump -DriveCV1Check Valve--Backflow Preventer P1P2Pump--Primary FunctionsCV2Check Valve -Load Sense,Lift/LowerP3Pump --Secondary FunctionsCV3Check Valve--Load Sense,Ext./Retr.P4Pump--Auxiliary PowerCV4Check Valve--Front OutriggerP5Pump--Auxiliary PowerCV5Check Valve--Front OutriggerPDTPilot-Operated ValveCV6Check Valve--Rear OutriggerPD2Pilot-Operated ValveCV7Check Valve--Rear OutriggerPD3Pilot-Operated ValveCV8Check Valve--SteeringPD4Pilot-Operated valveCV9Check Valve--SteeringPD5Pilot-Operated ValveCV10Check Valve--Backflow Preventer APUPRTPressure Reducing ValveCV11Check Valve--Secondary Functions ManifPI1Lift Cylinder Pressure TransducerCV12Check Valve--Aux PowerPT2Platform Level Cyl.Pressure TransducerCV13Check Valve--Platform LevelPV1Pilot ValveCV14Check Valve--Platform RotateRV1Relief Valve--ExtendCV15Check Valve--Platform SlideRV2Relief Valve--Auxiliary PowerCYL1Boom Lift CylinderRV3Relief Valve--Low FlowCYL2-CYL4Boom Extend CylindersRV4Relief Valve--Traction ManifoldCYL5,CYL6Front Outrigger CylindersSF1Solenoid Valve -Boom RetractCYL7,CYL8Rear Outrigger CylindersSP1Proportional Valve--Boom LiftCYL9.CYL10Steering CylindersSP2Proportional Valve--Boom ExtendCYL11,CYL12Rear Axle CylindersSP3Proportional Valve--Front OutriggerCYL13,CYL14 Front Axle CylindersSP4Proportional Valve--Front OutriggerCYL15Platform Level CylinderSP5Proportional Valve--Rear OutriggerDC1Steering Dual Check ValveSP6Proportional Valve--Rear OutriggerEM1Electric Motor--Auxiliary PowerSP7Proportional Valve--Platform LevelEP1Flow Compensator--BoomSP8Proportional Valve--Platform RotateEP2Flow Compensator--ExtendSP9Proportional Valve--Platform SlideEP3Fow Compensator--Auxiliary ManifoldSV1Solenoid Valve--Load Sense DumpEPFR1Flow RegulatorSV2Solenoid Valve -Boom Ext.Regen.FD1Flow Divider--Traction ManifoldSV3Solenoid Valve-Low Flow DumpFD2Flow Divider--Traction ManifoldSV4Solenoid Valve Rear AxleFD3Flow Divider--Traction ManifoldSV5Solenoid Valve--Front AxleFL1Filter-Hyd raulic TankSV6Solenoid Valve -BrakeFL2Filter--ChargeSV7Solenoid Valve --2-SpeedHS1Oil Shuttle ValveSV8Solenoid Valve Boom Up/Down PilotLS1Load Sense Shuttle ValveSVD1Directional ValveLS2Load Sense Shuttle ValveSVD2Directional ValveM1-M4Wheel MotorsM5Platform rotate motorM6Platform Slide MotorMATPrimary Functions ManifoldGauge PortsMA2Secondary Functions ManifoldGCPGauge Port--Charge PressureMA3Drive ManifoldGDGauge Port--Drive PressureMA4Auxiliary ManifoldGLSGauge Port--Load SenseORF1Orifice--Steer .090GLS2Gauge Port--Load Sense,PlatformORF2Orifice--Brake Apply .040GP1Gauge Port--High FlowORF3Orifice--Traction Manifold .052GP2Gauge Port--Low Flowme
请登录后查看评论内容