

第1页 / 共8页

第2页 / 共8页
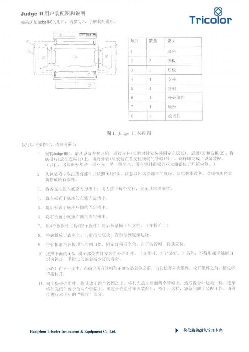
试读已结束,还剩6页,您可下载完整版后进行离线阅读
THE END
Xxrite③Tricolor部件号:424269文档版本:4.2-2006年7月Macbeth Judge®I和Macbeth Judge®Il-S操作手册Judge‖(便携式)和Judge-S(固定式)是用于在特定照明条件下进行颜色"8图国测定的灯箱。udg9I和Judge ll-S的功能:符合或超过公布的色彩视觉评定国际标准的平衡光线·运行计时器●“瞬间升温”功能可消除预热等待薄膜式键盘,可快速切换不同光源dgeI还提供了可选的背带式软尼龙罩。安全使用说明请仔细阅读并遵守下列说明一在安装或运行本设备前,请阅读并遵守全部说明。保留本手册以供将米参考之用一阅读完本手册后,请妥善放置手册以使他人使用设备时阅读或参考。遵守警告内容一请遵守本手册中提供的所有警告和安全措施。这样做可保障您与您的设备的安全。如果未按本手册指定的方式操作本设备,将削弱设备本身提供的保护功能。防水防潮一使用本设备时请保持电气安全。如果使用场所中可能因溅水或其它液体或不可控湿气而导致电击危险,请勿使用本设备。正确清洁一可用干净、不起毛的白布擦拭设备。请勿使用液体清洁剂或含蜡清洁剂,因为这些物质会发黄并影响设备反射比和光泽度。请使用蘸有温和肥皂水的湿布清洁外表面。仅使用合适电源一请对本设备使用合适的电源。此方面如有疑问,请参考设备背面的标签。不使用设备时,请拔掉电源插头。更换灯管前拔掉设备插头-更换灯管前务必拔掉设备插头。请勿使电路负荷过大一请勿使墙壁电源插座和延长电线负荷过大。否则可能会有火灾或电击危险。请定期检查所有电线,确保无损坏、破裂或缠绕。如果电线出现损坏或破损迹象,请立即更换。远离热源一请勿在热源如电暖炉、热调节器或其它发热器具旁使用本设备。雷雨天时禁止使用本设备一在雷雨天,请拔掉设备电源插头以避免产生电涌或电源波动,否则会对灯管和电路造成损坏。正确维修-除更换灯管外,请勿自行维修设备。如果未获授权而自行维修,设备担保将失效。如果使用时出现任何其它故障,请联系XRte技术服务部门。损坏维修一设备跌落或损坏、电子元件浸水或其它液体,或设备无法正常工作时,必须由具备维修资格的维修人员进行维修。Hangzhou Tricolor Instrument Equipment Co.,Ltd.您信赖的额色管理专家
请登录后查看评论内容