SONY_TCD-D100数字录音机电路图

SONY_TCD-D100数字录音机电路图新质力文库 - 聚焦新质生产力发展的数字化知识库_行业洞察 / 理论成果 / 实践指南免费下载新质力文库
SONY_TCD-D100数字录音机电路图
此内容为付费资源,请付费后查看
2332
立即购买
您当前未登录!建议登陆后购买,可保存购买订单
付费资源

第1页 / 共5页
试读已结束,还剩4页,您可下载完整版后进行离线阅读
THE END
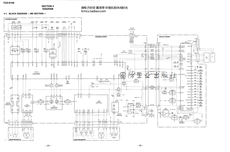
TCD-D100SECTION 4DIAGRAM微电子时空基准带好音乐的休闲时光zmcu.taobao.com4-1.BLOCK DIAGRAM-MD SECTION-FREGELE DOMAS777学南膀室中服袖向白做学441字学,四。4C■0晚CLMG巴W-24-=26
喜欢就支持一下吧
评论 抢沙发

请登录后发表评论

    请登录后查看评论内容