102_Binder1

102_Binder1新质力文库 - 聚焦新质生产力发展的数字化知识库_行业洞察 / 理论成果 / 实践指南免费下载新质力文库
102_Binder1
此内容为付费资源,请付费后查看
4969
立即购买
您当前未登录!建议登陆后购买,可保存购买订单
付费资源

第1页 / 共3页
试读已结束,还剩2页,您可下载完整版后进行离线阅读
THE END
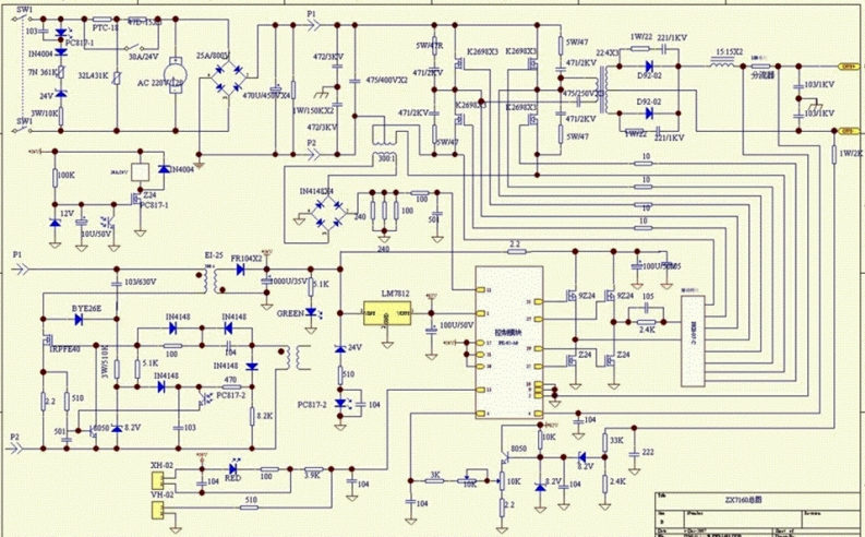
托有PTC.1Iw22221/1KV1400425A/K2692630A/24V22431512N3613431K0AC22044740V2a分礼相044D20Wh0式立4723KP2Fw KVm1W2N414E2%PI125FR1043X2》M4122242241BYE26E141422423451KN14移414键425约0PCH7-2PC817-22V225102月600看
喜欢就支持一下吧
评论 抢沙发

请登录后发表评论

    请登录后查看评论内容