330_kende_tig_welde

330_kende_tig_welde新质力文库 - 聚焦新质生产力发展的数字化知识库_行业洞察 / 理论成果 / 实践指南免费下载新质力文库
330_kende_tig_welde
此内容为付费资源,请付费后查看
4969
立即购买
您当前未登录!建议登陆后购买,可保存购买订单
付费资源

第1页 / 共1页
已完成全部阅读,共1
THE END
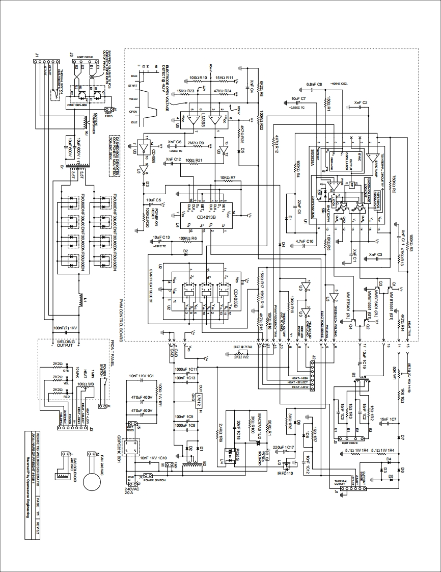
100gR106.8nF C840N2C12424XnF C29处Y100R21G25210uFC5号附附100R0四CD4013B100织R64.7fC101R9XnFC1L4WRi语10k0R191243aMBT5401 (2L)V+T5551 (G1)Rt口R14TPA密710F10101000uF1G11100F1c13L7912130100CAT-LOW470uF400100F191801228666666b1000uF1c3218H0:1019386R100MAC97A6 1U20p10nF 1C125.识w145.1w110F1V1C10公04055
喜欢就支持一下吧
评论 抢沙发

请登录后发表评论

    请登录后查看评论内容