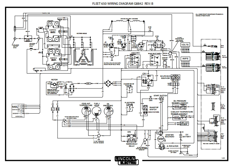
LINCOLN林肯电焊机FLEET-650-WIRING-DIAGRAM-G8842-REV-B电器原理图

LINCOLN林肯电焊机FLEET-650-WIRING-DIAGRAM-G8842-REV-B电器原理图新质力文库 - 聚焦新质生产力发展的数字化知识库_行业洞察 / 理论成果 / 实践指南免费下载新质力文库
LINCOLN林肯电焊机FLEET-650-WIRING-DIAGRAM-G8842-REV-B电器原理图
此内容为付费资源,请付费后查看
4969
立即购买
您当前未登录!建议登陆后购买,可保存购买订单
付费资源

第1页 / 共1页
已完成全部阅读,共1
THE END
FLEET 650 WIRING DIAGRAM G8842 REV:B2爸思9T90PeoT20w⊙件日R+VOLTS菌START包UTC南8e品sT器2COCLANT TEMPERATURE交必银盏ICH意则SR作我SOLENCID三色AT作RYL具ATE我M从TCRLINCOLNI吃
喜欢就支持一下吧
评论 抢沙发

请登录后发表评论

    请登录后查看评论内容